

Описание и характеристики
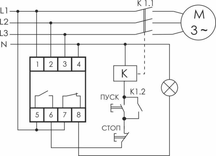
Реле контроля и наличия, чередования фаз предназначено для защиты электродвигателей и электроустановок, питаемых от трехфазной сети в случаях: отсутствия хотя бы одной из фаз, асимметрии напряжения, нарушения чередования фаз. Регулируемые асимметрия и время отключения,2 модуля, монтаж на DIN-рейке 3х400/230+N 2х8А 1NO, 1NC IP20 Евроавтоматика ФиФ