









Описание и характеристики
Таймер аналоговый ТЭМ181 IEK (16 А, 230 В) на DIN-рейку
Таймер электронно-механический ТЭМ181 предназначен для отсчета интервалов времени, автоматического включения / отключения электротехнического оборудования через заданный промежуток времени в течение суток для управления различными технологическими процессами.
Таймер может использоваться в промышленных и бытовых электроустановках и должен устанавливаться в распределительных щитах.
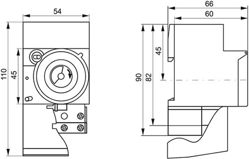
Размеры

Функциональные возможности
- Отсчет интервалов времени, автоматическое включение / отключение электротехнического оборудования через заданный промежуток времени в течение суток.
- Имеется возможность произвести включение / отключение вручную.
- Таймер снабжен автономным подзаряжаемым источником питания - аккумулятором, который обеспечивает резервное питание в течение не менее 72 часов.
Устройство
![]() |
1 - корпус таймера. 3 - индикатор переключения контактов таймера. 5 - ручка установки (коррекции) текущего времени. 7 - внутренний лимб. 9 - сектор установки программы. 11 - зажим "7". |
Технические характеристики
| Артикул | MTA20-16 |
| Тип изделия | таймер электронно-механический |
| Конструктивное исполнение | механизм в корпусе (в сборе) |
| Номинальное напряжение, В | АС 230 |
| Номинальная частота сети, Гц | 50 |
| Номинальный ток нагрузки, А | 16 (при cos ? = 1) / 8 (при cos ? = 0,4) |
| Потребляемая мощность, не более, Вт | 1 |
| Максимальное число циклов "вкл. / откл." в сутки | 24 |
| Минимальный интервал установки времени работы программы, мин. | 30 |
| Погрешность отсчета временных интервалов, не более, с./сутки | 5 |
| Время сохранения установленной программы при отключении напряжения питания, не менее, часов |
72 |
| Электрическая износостойкость, не менее, циклов вкл.-откл. | 105 |
| Механическая износостойкость, не менее, циклов вкл.-откл. | 107 |
| Диапазон рабочих температур, °C | -10... +40 |
| Климатическое исполнение и категория размещения | УХЛ4 |
| Способ крепления | на DIN-рейку |
| Сечение подключаемых проводников, кв.мм | 1,5 - 4,0 |
| Группа механического исполнения | М1 (ГОСТ 17516.1) |
| Вес изделия, кг | 0,15 |
| Срок службы, лет | 20 |
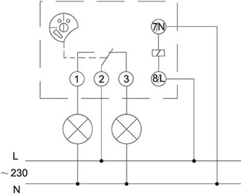
Схема подключения

