Описание и характеристики
Устройство защиты многофункциональное "Меандр" УЗМ-3-63К AC230В/AC400В УХЛ4 (3 фазы, 63 А, 6 модулей)
Устройство защиты УЗМ-3-63К является разновидностью реле контроля трехфазного напряжения со встроенным мощным трехфазным поляризованным реле, позволяющим коммутировать большие токи.
Устройство содержит функцию контроля частоты сети.
Это позволяет использовать его для включения / выключения нагрузки при работе от автономного генератора, а также для защиты различного электрооборудования от аварий сетевого напряжения.
Устройство не требует подключения внешних электромагнитных пускателей для коммутации.
Обеспечивает защиту оборудования производственного, административного или жилого назначения от разрушающего воздействия импульсных скачков напряжения, вызванных срабатыванием близко расположенных и подключенных к этой же сети электродвигателей, магнитных пускателей или перепадов напряжения на трансформаторной подстанции, предотвращая выход оборудования из строя.
Варисторная защита каждой фазы обеспечивает сохранение работоспособности при воздействии импульсов перенапряжения длительностью 8/20 мкс. амплитудой до 6500 А.
Устройство не заменяет другие аппараты защиты (автоматические выключатели, УЗИП, УЗО и пр.).
При кратковременных снижениях сетевого напряжения менее 130 В длительностью не более 100 мс., а также ниже установленного значения 170 В длительностью не более 10 с. отключения нагрузки не происходит.
Это позволяет не отключать нагрузку и ожидать повторного ее включения с установленным временем задержки.
Размеры

Функциональные возможности
- Наличие клеммы для дистанционного управления.
- Контроль обрыва фаз и контроль чередования фаз (отключить нельзя).
- Максимальный ток коммутации 63 А по каждой из фаз (14,5 кВт х 3).
- Контроль частоты сети в диапазоне 45 - 55 Гц.
- Контроль асимметрии напряжения между фазами более 25%.
- Двухпороговая защита от перенапряжения / задержка срабатывания: >265 В / 0,2 с/, >300 В / 20 мс.
- Двухпороговая защита от снижения напряжения / задержка срабатывания: <170 В / 10 с/, <130 В / 100 мс.
- Встроенная варисторная защита от импульсных возмущений в сети.
- Переключаемая задержка повторного включения от 2 с. до 8 мин.
- Время срабатывания при скачках напряжения менее 30 мс.
Внимание!
УЗМ-3-63К предназначено для работы только с трехфазными нагрузками, и при аварийных ситуациях отключает все 3 фазы!
Особенности конструкции
Устройство устанавливается на монтажную DIN-рейку шириной 35 мм (ГОСТ Р МЭК 60715-2003) с передним подключением проводов питания коммутируемых электрических цепей.
Клеммы устройства обеспечивают подключение проводов сечением до 25 кв.мм.
На лицевой панели расположены:
- поворотный переключатель Uмакс максимального значения напряжения;
- поворотный переключатель Uмин минимального значения напряжения;
- поворотный переключатель времени повторного включения;
- красный индикатор "U>" превышения линейного напряжения;
- желтый индикатор
подключения нагрузки к потребителю;
- красный индикатор "<U" снижения линейного напряжения ниже установленного значения;
- три зеленых индикатора L1, L2, L3 наличия линейных фазных напряжений.
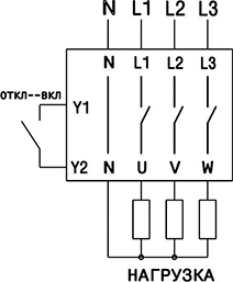
Клеммы подключения к шинам ввода имеют маркировку N, L1, L2, L3 и надпись "Вход".
Клеммы подключения нагрузки имеют маркировку N, U, V, W и надпись "Выход".
Клеммы для подключения дистанционного управления имеют маркировку Y1 и Y2 (при замкнутом контакте реле включено, при разомкнутом - выключено).
Технические характеристики
| Общие параметры | |
|---|---|
| Артикул | 4640016939237 |
| Тип изделия | устройство защиты многофункциональное |
| Модульная ширина (шаг 18 мм) | 6 |
| Номинальное напряжение питания, В | 230 |
| Частота напряжения питания, Гц | 50 |
| Максимальное напряжение питания, В | 440 |
| Потребляемая мощность, ВА | 2,2 |
| Задержка включения / повторного включения (переключается пользователем) | 2 сек., 5 сек., 10 сек., 15 сек., 20 сек., 30 сек., 1 мин., 2 мин., 4 мин., 8 мин. |
| Задержка отключения при повышении напряжения выше верхнего порога, сек. | 0,2 |
| Время ускоренного отключения нагрузки при скачке напряжения, tоткл, мс. | 30 |
| Задержка отключения при снижении напряжения ниже нижнего порога, сек. | 10 |
| Время отключения нагрузки при провале напряжения, tоткл, мс. | 100 |
| Диапазон рабочих температур, °C | -25... +55 |
| Относительная влажность воздуха при +25°C, % | до 80 |
| Степень защиты от пыли и влаги по корпусу / клеммам | IP40 / IP20 |
| Климатическое исполнение и категория размещения по ГОСТ 15150-69 (без образования конденсата) | УХЛ4 |
| Степень загрязнения в соответствии с ГОСТ 9920-89 | 2 |
| Помехоустойчивость от пачек импульсов в соответствии с ГОСТ Р 51317.4.4-99 (IEC/EN 61000-4-4) | уровень 3 (2 кВ / 5 кГц) |
| Помехоустойчивость от перенапряжения в соответствии с ГОСТ Р 51317.4.5-99 (IEC/EN 61000-4-5) | уровень 3 (2 кВ А1-А2) |
| Сечение подключаемых проводников, не менее, кв.мм | 0,5 - 25 (20 - 4 AWG) |
| Рабочее положение в пространстве | произвольное |
| Режим работы | круглосуточный |
| Вес изделия, не более, кг | 0,45 |
| Срок службы, не менее, лет | 10 |
| Параметры защиты | |
| Порог отключения нагрузки при повышении напряжения, Umax (tоткл = 0,5 сек.), В | 243, 249, 255, 261, 267, 273, 279, 285, 291, 297 ±3 |
| Порог отключения нагрузки при снижении напряжения, Umin (tоткл = 10 сек.), В | 217, 211, 205, 199, 193, 187, 181, 175, 169, 163 ±3 |
| Порог ускоренного отключения нагрузки при скачке напряжения (tоткл = 30 мс.), В | 300 |
| Порог отключения нагрузки при провале напряжения (tоткл = 100 мс.), В | 110 |
| Допустимый разброс напряжений по фазам, не более, % | 25 |
| Ширина зоны гистерезиса порога срабатывания, % | Uном ±2,5 |
| Порог срабатывания по частоте, Гц | 45 / 55 ±0,5 |
| Уровень ограничения напряжения при токе помехи 100А, не более, кВ | 1,2 |
| Максимальная энергия поглощения (одиночный импульс 10/1000 мкс.), Дж | 200 |
| Максимальный ток поглощения, одиночный импульс 8 / 20 мкс. / повторяющиеся импульсы 8 / 20 мкс. | 6500 / 4500 |
| Время срабатывания импульсной защиты, нс. | <25 |
| Коммутирующая способность контактов | |
| Номинальный ток нагрузки (при сечении подключаемых проводов не менее 16 кв.мм, медь), нагрузка АС1 (активная, резистивная), А | 63 |
| Номинальный ток нагрузки (при сечении подключаемых проводов не менее 16 кв.мм, медь), нагрузка АС3 (индуктивная, реактивная), А | 25 |
| Номинальная мощность нагрузки (АС 250В) по каждой из фаз, кВт | 14,5 |
| Максимальное коммутируемое напряжение, В | 400 |
| Максимальный пропускаемый ток короткого замыкания (не более 10 мс.), А | 4500 |
Подключение
Схема подключения:

Внимание.
Момент затяжки винтового соединения должен составлять для клемм Y1 и Y2 - 0,4 Н*м, для остальных - 3 Н*м.
Следует использовать отвертку 0,6 х 3,5 мм (для клемм Y1 и Y2).
Диаграммы работы устройства
Защита по напряжению по всем фазам:

Контроль трехфазного напряжения:
