






Описание и характеристики
Импульсное реле ORM-01-AC230 IEK (1 контакт, 230 В AC)
Реле импульсные предназначены для дистанционного импульсного управления электрическими цепями в однофазных электрических сетях постоянного или переменного тока.
Соответствуют требованиям технического регламента Таможенного союза ТР ТС 004/2011, ГОСТ IEC 60947-1 и ГОСТ IEC 60947-5-1.
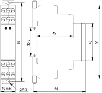
Реле устанавливаются на рейки типа ТН-35 по ГОСТ Р МЭК 60715 в электрощитах со степенью защиты от пыли и влаги не ниже IP30 по ГОСТ 14254 и классом защиты от поражения электрическим током не ниже I по ГОСТ 12.2.007.0.
Габаритные и установочные размеры

Условия эксплуатации
- Диапазон рабочих температур: -20... +55 °С.
- Высота над уровнем моря: не более 2000 м.
- Относительная влажность воздуха (средняя за 24 часа): 5 - 95 %.
- Конденсация или обледенение не допускаются.
- Степень загрязнения окружающей среды: 2.
- Рабочее положение: любое.
Технические характеристики
| Количество управляемых цепей | 1 |
| Номинальное рабочее напряжение Ue, В | 230 AC |
| Входная мощность, В*А | 12 |
| Максимальное коммутируемое напряжение, В | 250 |
| Номинальный рабочий ток In, А | 16 |
| Условный тепловой ток Ith (категория применения АС-1), А | 16 |
| Частота сети переменного тока, Гц | 50 |
| Номинальное напряжение изоляции Ui, В | 270 |
| Номинальное импульсное выдерживаемое напряжение Uimp, В | 4000 |
| Допуск напряжения питания | -15 %; +10 % |
| Минимальная длина импульса, мс. | 25 |
| Время отклика, не более, мс. | 400 |
| Минимальная коммутируемая мощность, мВт (DC) | 500 |
| Время сброса, не более, мс. | 200 |
| Механическая износостойкость, не менее, циклов В-О | 1 х 107 |
| Электрическая износостойкость, не менее, циклов В-О | 1 х 106 |
| Температурный коэффициент при +20 °С | 0,05 % / °С |
| Категория перенапряжения | III |
| Степень защиты от пыли и влаги по ГОСТ 14254 | IP40 (IP20 со стороны выводов) |
| Максимальное сечение провода, присоединяемого к зажиму, кв.мм | 2,5 или 2 х 1,5 |
| Момент затяжки винтов контактных зажимов при использовании отвертки, Н*м | 0,4 |
| Назначение светодиодных индикаторов | зеленый - наличие питания; красный - срабатывание реле |
| Режим работы | продолжительный |
| Ремонтопригодность | неремонтопригодный |
| Вес изделия, не более, кг | 0,06 |
| Срок службы, лет | 5 |
Функциональная диаграмма

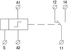
Схема электрическая

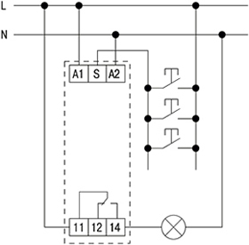
Схема подключения
