Описание и характеристики
Устройство защиты многофункциональное "Меандр" УЗМ-51М УХЛ4 (1 фаза, 63 А, 2 модуля)
Устройство защиты многофункциональное УЗМ (далее устройство) предназначено для использования в квартире, доме, офисе и т.д. с целью защиты однофазных потребителей от работы на повышенном или пониженном сетевом напряжении, защиты однофазных потребителей от разрушающего воздействия импульсных скачков напряжения, вызванных срабатыванием близко расположенных и подключенных к этой же сети электродвигателей, магнитных пускателей или электромагнитов, а также защиты сети от длительной перегрузки по потребляемой мощности.
Может применяться в сетях любой конфигурации: TN-C, TN-S, TN-C-S, ТТ.
Устройство не заменяет другие аппараты защиты (автоматические выключатели, УЗИП, УЗО и пр.).
При включении УЗМ по нижеприведенной схеме 3 возможно дистанционное управление нагрузкой (функция импульсного реле).
При отключении нулевого проводника устройство отключает нагрузку, а при подключении включает с установленной задержкой.
Устройство также снижает пусковой ток за счет замыкания контактов реле при нулевом сетевом напряжении (переходе сетевого напряжения через ноль, технология Zero Sync).
Размеры

Особенности конструкции
Устройство представляет собой реле контроля напряжения с мощным электромагнитным реле на выходе, дополненное варисторной защитой.
Устройство устанавливается на монтажную DIN-рейку шириной 35 мм (ГОСТ Р МЭК 60715-2003) с передним подключением проводов питания коммутируемых электрических цепей.
Клеммы туннельной конструкции обеспечивают надежный зажим проводов суммарным сечением до 33 кв.мм.
На лицевой панели УЗМ расположены:
- 2 двухцветных индикатора: зеленый / красный - "норма / авария", желтый / красный - включение контакта "реле / перегрев";
- кнопка "вкл./выкл." ручного управления;
- 2 ручки регулировки верхнего и нижнего порогов отключения.
Конструктивно УЗМ выполнено на единой печатной плате с установленными на ней электронными компонентами, реле, токовым шунтом, силовыми шинами.
Благодаря такой конструкции достигается высокая механическая жесткость изделия и высокая надежность.
В УЗМ последнего выпуска устанавливаются клеммы увеличенного размера с окном 9,0 х 8,2 мм и стопорным винтом М6.
Для исключения ошибок монтажа клеммы устройства оснащены защитными шторками.
Подключение нагрузки возможно с любой стороны.
Технические характеристики
| Общие параметры | |
|---|---|
| Артикул | 4640016931958 |
| Тип изделия | устройство защиты многофункциональное |
| Модульная ширина (шаг 18 мм) | 2 |
| Номинальное напряжение питания, В | 230 |
| Частота напряжения питания, Гц | 50 |
| Максимальное напряжение питания, В | 440 |
| Потребляемая мощность, не более, Вт | 1,5 |
| Диапазон рабочих температур, °C | -25... +55 |
| Степень защиты реле по корпусу / по клеммам по ГОСТ 14254-96 | IP40 / IP20 |
| Степень загрязнения в соответствии с ГОСТ 9920-89 | 2 |
| Климатическое исполнение и категория размещения по ГОСТ 15150-69 (без образования конденсата) | УХЛ4 |
| Помехоустойчивость от пачек импульсов в соответствии с ГОСТ Р 51317.4.4-99 (IEC/EN 61000-4-4) | уровень 3 (2 кВ / 5 кГц) |
| Помехоустойчивость от перенапряжения в соответствии с ГОСТ Р 51317.4.5-99 (IEC/EN 61000-4-5) | уровень 3 (2 кВ А1-А2) |
| Виброустойчивость, g | 4 |
| Ударопрочность, g | 6 |
| Максимальная механическая износостойкость, циклов | 1 х 106 |
| Максимальная электрическая износостойкость, циклов | 1 х 105 |
| Сечение подключаемых проводников, кв.мм | 0,5 - 33 (20 - 2 AWG) |
| Момент затяжки винтового соединения клеммы, Н*м | 2,8 |
| Вес изделия, не более, кг | 0,16 |
| Срок службы, не менее, лет | 10 |
| Параметры защиты | |
| Уровень ограничения напряжения при токе помехи 100 А, не более, кВ | 1,2 |
| Максимальная энергия поглощения (одиночный импульс 10 / 1000 мкс.), Дж | 200 |
| Максимальный ток поглощения, одиночный импульс 8 / 20 мкс. / повторяющиеся импульсы 8 / 20 мкс., А | 6000 |
| Время срабатывания импульсной защиты, нс. | <25 |
| Порог отключения нагрузки при повышении напряжения, Uверх, В | 240, 250, 255, 260, 265, 270, 275, 280, 285, 290 |
| Верхний порог ускоренного отключения нагрузки при повышении напряжения выше верхнего критического порога Uверх.кр., В | 300 ±15 |
| Порог отключения нагрузки при снижении напряжения, Uниз, В | 210, 190, 175, 160, 150, 140, 130, 120, 110, 100 |
| Порог ускоренного отключения нагрузки при снижении напряжения ниже нижнего критического порога Uниз.кр., В | 80 ±10 |
| Гистерезис возврата верхнего и нижнего порога от установленного значения, % | 3 |
| Коммутирующая способность контактов | |
| Номинальный ток нагрузки АС1 (активная), А | 63 |
| Номинальный ток нагрузки АС3 (индуктивная, реактивная), А | 25 |
| Максимальный ток нагрузки (не более 30 мин.), А | 80 |
| Номинальная мощность нагрузки (при АС 230В), кВт | 14,5 |
| Максимальная мощность нагрузки (не более 30 мин.), кВт | 18,4 |
| Ток перегрузки / время воздействия (без сваривания контактов), А/мс. | 2000 / 10 |
| Ток короткого замыкания без разрушения, А | 3000 |
| Задержка включения / повторного включения (выбирается пользователем) | 6 мин. / 10 сек. |
| Пороги напряжения, В | верхний >300 ±15 | верхний 240 - 290 | нижний 210 - 100 | нижний <80 ±15 |
| Время отключения нагрузки, секунд | 0,02 | 0,1 | 10 | 0,5 |
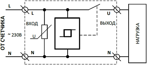
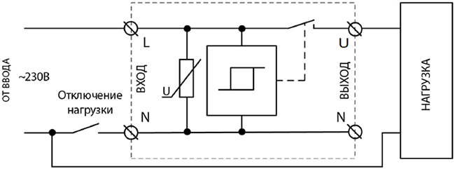
Схемы подключения
Схема 1:

Схема 2:

Схема 3:

Диаграмма работы устройства
