

Описание и характеристики
Блок питания IEK LED ИПСН-PRO (DC 12 В, 60 Вт, блок - клеммы, IP20) для светодиодной ленты
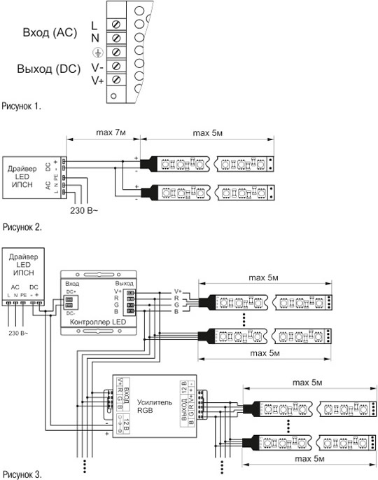
Драйверы преобразуют параметры входящего сетевого напряжения 220 В, 50/60 Гц в постоянное напряжение 12 В, необходимое для питания светодиодной ленты.
Технические характеристики
| Артикул | LSP1-060-12-20-33-PRO |
| Напряжение на входе, В | 110 - 240 |
| Частота сети, Гц | 50 |
| Напряжение на выходе, В | DC 12 |
| Мощность, Вт | 60 |
| Количество каналов | 1 |
| Сила тока на выходе, А | 5 |
| Степень защиты от пыли и влаги | IP20 |
| Вес изделия, кг | 0,24 |
Схема подключения
