

Описание и характеристики
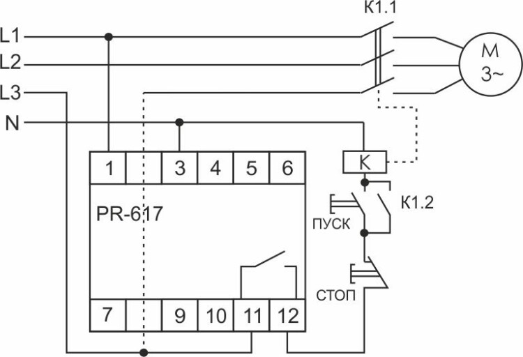
Реле тока предназначено для защиты одно и трехфазных электродвигателей от перегрузки по току. Возможно его применение в качестве бесконтактно-токового выключателя для отключения электропривода в конечных положениях, дублирование блока конечных выключателей и т.п., диапазон 2-15A, с задержкой отключения, сквозной канал, 1 модуль, монтаж на DIN-рейке 230В 16A 1NO IP20