










Описание и характеристики
Автоматический выключатель дифференциального тока АВДТ32 С40 100 мА (2Р, 40 А, 6 кА)
Автоматические выключатели дифференциального тока АВДТ 32 предназначены для защиты человека от поражения электрическим током при повреждении изоляции электроустановок, для предотвращения пожаров вследствие протекания токов утечки на землю и для защиты от перегрузки и короткого замыкания.
Рекомендуются для защиты групповых линий, питающих розетки наружной установки, розеток и освещения подвалов и гаражей.
Преимущества
- Комбинированная схема с электронным модулем дифференциальной защиты и встроенным автоматическим выключателем.
- Дополнительная защита человека при прямом прикосновении к токоведущим частям.
- Наличие кнопки "Тест" для проверки работоспособности устройства и правильности подключения.
- Габариты АВДТ соответствуют двухмодульному исполнению.
- Наличие индикатора состояния главной цепи.
- Широкий диапазон рабочих температур.
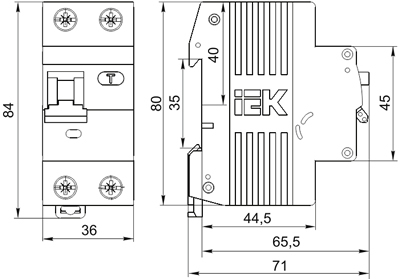
Размеры

Особенности конструкции
![]() |
Помехоустойчивая схема исключает ложное срабатывание. | ![]() |
Дополнительная защита от прогорания корпуса аппарата из-за дуги и отвод тепла за счет антипрогарной пластины. |
![]() |
Быстрый монтаж, дополнительная надежность крепления на DIN-рейке с помощью защелки с двойным фиксированным положением. |
![]() |
Дугогасительная камера из 13 стальных пластин для эффективного гашения дуги. |
![]() |
Насечки на контактных зажимах снижают тепловые потери и увеличивают механическую устойчивость соединения. | ![]() |
Возможность одновременного присоединения шиной Fork и гибким проводником для распределения питания цепи через верхние зажимы, а также возможность соединения шиной PIN. |
![]() |
Добавление дополнительных заклепок корпуса увеличило жесткость и прочность конструкции. | ![]() |
Изменение пресс-формы добавлением ребер жесткости для минимизации риска проворачивания винтовых зажимов при затяжке. | ![]() |
Защита от пульсирующего постоянного дифференциального тока и синусоидального переменного дифференциального тока. |
Технические характеристики
| Артикул | MAD22-5-040-C-100 |
| Тип изделия | автоматический выключатель дифференциального тока |
| Число полюсов | 1Р+N |
| Наличие защиты от сверхтоков | в фазном полюсе |
| Тип расцепителя | тепловой, электромагнитный |
| Номинальное рабочее напряжение Ue, В | 230 |
| Номинальная частота сети, Гц | 50 |
| Номинальное импульсное выдерживаемое напряжение Uimp, В | 4000 |
| Номинальное напряжение изоляции Ui, В | 230 |
| Номинальный ток In, А | 40 |
| Номинальный отключающий дифференциальный ток (уставка) I?n, мА | 100 |
| Номинальный неотключающий дифференциальный ток I?n0, мА | 0,5 I?n |
| Максимальное время отключения при номинальном отключающем дифференциальном токе, с. | 0,04 |
| Номинальная наибольшая отключающая способность Icn, А | 6000 |
| Номинальная наибольшая дифференциальная включающая и отключающая способность I?m, А | 6000 |
| Рабочая характеристика в случае дифференциального тока с составляющей постоянного тока, тип | А |
| Характеристика срабатывания от сверхтоков, тип | С |
| Механическая износостойкость, не менее, циклов В-О | 15000 |
| Электрическая износостойкость, не менее, циклов В-О | 6000 |
| Способ крепления | на DIN-рейку |
| Рабочее положение | вертикальное с возможным отклонением на 90° |
| Присоединительная способность контактных зажимов, кв.мм | 2,5 - 25 |
| Возможность присоединения к контактным зажимам соединительных шин со стороны подключения сети | PIN (штырь) / Fork (вилка) |
| Диапазон рабочих температур, °С | -25... +40 |
| Относительная влажность при +40 °С, % | 50* |
| Степень защиты от пыли и влаги | IP20 |
| Климатическое исполнение и категория размещения | УХЛ4 |
| Вес изделия, кг | 0,25 |
| Срок службы, лет | 15 |
* Допускается использование АВДТ при относительной влажности 90 % и температуре +20 °С.
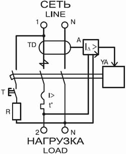
Схема электрическая

Правила монтажа и эксплуатации
- Монтаж АВДТ необходимо осуществлять на Т-образные направляющие ТН 35 в корпусах (оболочках) со степенью защиты от пыли и влаги не ниже IP30.
- При измерении сопротивления изоляции групповых электрических цепей, к которым подключен АВДТ, необходимо отделить проводник испытуемой цепи от устройства путем отсоединения от зажимов 2, N.
- После монтажа АВДТ и проверки его правильности подайте напряжение электрической сети на электроустановку, переведите рукоятку управления АВДТ в положение "I", нажмите кнопку "Тест".
Немедленное срабатывание выключателя (отключение защищаемой цепи) означает, что АВДТ работает исправно.
- Рекомендуется один раз в месяц проверять работоспособность выключателя нажатием кнопки "Тест".
- Рекомендуется один раз в 6 месяцев подтягивать контактные винтовые зажимы, давление которых со временем ослабевает из-за циклических изменений температуры окружающей среды и пластической деформации металла зажимаемых проводников.








