Описание и характеристики
Выключатель нагрузки модульный BM63PL-340-УХЛ3 OptiDin КЭАЗ (3Р, 40 А)
Модульные выключатели нагрузки КЭАЗ типа OptiDin BM63PL предназначены для применения в электрических цепях напряжением до 400 В переменного тока частоты 50 / 60 Гц, проведения тока в нормальном режиме и оперативных включений и отключений указанных цепей под нагрузкой.
Соответствуют требованиям ГОСТ IEC 60947-3, ТР ТС 004/2011, ТР ТС ЕАЭС 037/2016.
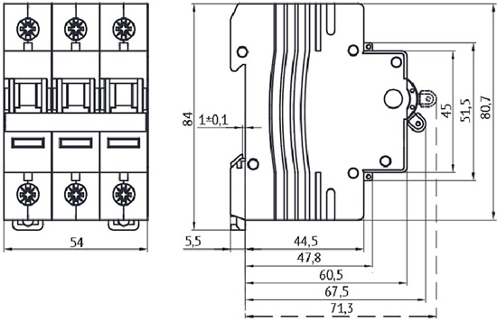
Размеры

Особенности конструкции
- Серебросодержащие напайки на подвижном контакте для повышения износостойкости и уменьшения значения переходного сопротивления.
- 13 пластин в дугогасительной камере эффективно гасят дугу и обеспеспечивают безопасное отключение в аварийной ситуации.
- Лучшее охлаждение за счет профильных углублений на корпусе.

- Возможность опломбировать рукоятку для предотвращения несанкционированного включения / отключения.
- Особая конструкция зажимов обеспечивает максимально плотный и больший по площади контакт для предотвращения нагрева и оплавления проводников.

Технические характеристики
| Артикул | 328169 |
| Тип изделия | выключатель нагрузки |
| Число полюсов | 3P |
| Модульная ширина (шаг 18 мм) | 3 |
| Номинальное рабочее напряжение Ue, В | АС 400 |
| Частота тока, Гц | 50 / 60 |
| Минимальное рабочее напряжение, В | 24 |
| Номинальный ток In, А | 40 |
| Категория применения | АС-22А |
| Номинальный кратковременно выдерживаемый ток (сквозной ток) при длительности прохождения 1 c., А | 1500 |
| Номинальная включающая способность в условиях короткого замыкания при коэффициенте мощности 0,9, А | 2500 |
| Условный номинальный ток короткого замыкания, кА | 5000 |
| Износостойкость выключателя общая, циклов | 14000 |
| Износостойкость выключателя коммутационная, циклов | 4000 |
| Номинальное импульсное выдерживаемое напряжение, кВ | 4 |
| Мощность, потребляемая выключателем на 1 полюс, не более, В*А | 15 |
| Возможность самостоятельного подключения дополнительных устройств | нет |
| Способ крепления | DIN-рейка |
| Присоединение внешних проводов | переднее |
| Сечение провода, присоединяемого к выводным зажимам, кв.мм | 1,0 - 50 |
| Крутящий момент затяжки винтов, Н*м | 3,5 |
| Диапазон рабочих температур, °C | -70... +60 |
| Степень защиты от пыли и влаги | IP20 |
| Климатическое исполнение и категория размещения | УХЛ3 |
| Степень загрязнения | 2 |
| Режим эксплуатации | продолжительный |
| Средний срок службы, лет | 15 |
Схема электрическая принципиальная
