

Описание и характеристики
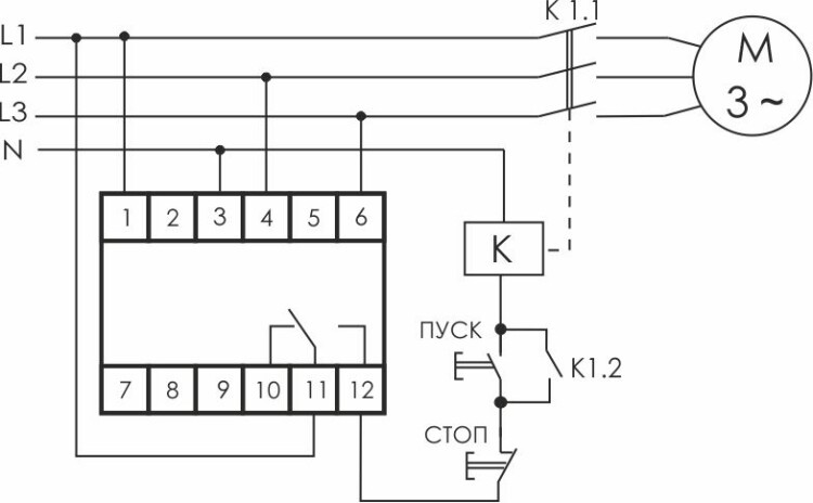
Реле контроля фаз предназначено для защиты электродвигателей и электроустановок, питаемых от трехфазной сети в случаях: 1.отсутствия хотя бы одной из фаз, 2.асимметрии напряжения. 1 модуль, монтаж на DIN-рейке 3х400/230+N 8А 1NO/NC IP20 Евроавтоматика ФиФ