

Описание и характеристики
Разъем розеточный модульный РРМ78/3 (PYF11A) IEK для реле РЭК78/3
Разъемы розеточные модульные РРМ77, РРМ78 являются комплектующими изделиями.
Применяются для установки реле промежуточных РЭК77, РЭК78.
Реле промежуточные модульной серии РЭК77 и РЭК78 предназначены для передачи команд управления исполнительными элементами путем коммутации их электрических цепей своими переключающими контактами.
На разъемах расположены зажимы выводов переключающих контактов и катушки реле.
Крепление разъемов осуществляется с помощью защелки на монтажную DIN-рейку шириной 35 мм или на монтажную панель при помощи винтов.
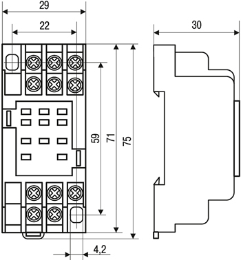
Размеры

Технические характеристики
| Артикул | RRP20D-RRM-3 | |
| Тип изделия | разъем розеточный модульный | |
| Номинальное рабочее напряжение, В | переменный ток | 230 |
| постоянный ток | 24 | |
| Номинальный ток контактов In, А | 5 | |
| Число контактов | 11 | |
| Электрическая износостойкость, не менее, циклов | 105 | |
| Механическая износостойкость, не менее, циклов | 107 | |
| Диапазон рабочих температур, °C | -45... +40 | |
| Степень защиты от пыли и влаги по ГОСТ 14254 | IP20 | |
| Климатическое исполнение и категория размещения по ГОСТ 15150 | У2.1 | |
| Рабочее положение в пространстве | любое | |
| Способ крепления | на DIN-рейку 35 мм или винтами на монтажную панель | |
| Тип подключения | винтовое соединение | |
| Сечение подключаемых проводников, кв.мм | 0,5 - 1,5 | |
| Группа механического исполнения | М7 (ГОСТ 17516.1)* | |
| Класс защиты от поражения электрическим током | 0 (ГОСТ 12.2.007.0) | |
| Срок службы, не менее, лет | 10 | |
* При этом вибрационные нагрузки 3 g в диапазоне частот от 5 до 15 Гц, 1 g в диапазоне частот от 16 до 100 Гц.
Схема подключения
