








Описание и характеристики
Таймер цифровой ТЭ80 IEK MTA10-16-080 Karat (16 А, 230 В) на DIN-рейку
Таймер ТЭ80 IEK предназначен для отсчета интервалов времени, автоматического включения / отключения оборудования через заданный промежуток времени и управления различными технологическими процессами.
Программы управления рассчитаны на недельный цикл.
Таймер снабжен резервным элементом питания, обеспечивающим сохранение всех параметров в течение 3 лет при отключении питания сети.

Преимущества
![]() |
До 80 программ в памяти устройства. | ![]() |
Большой информативный дисплей с прозрачной крышкой. |
![]() |
Защитная крышка с возможностью опломбировки. | ![]() |
При отключении от питания настройки сохраняются до 3 лет. |
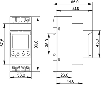
Размеры

Материалы и цвета
| Цвет корпуса | Серый |
| Материал корпуса | пластик |
Устройство и обозначения лицевой панели
![]() |
OFF | - состояние реле (OFF - отключено, ON - включено). |
![]() |
- ручное управление. | |
![]() |
- автоматическое управление (по программе). | |
![]() |
- переход на зимнее время. | |
![]() |
- переход на летнее время. | |
| Prog | - настройки программы. | |
![]() |
- режим "В отпуске". | |
![]() |
- импульсная программа. |
Технические характеристики
| Тип изделия | таймер цифровой |
| Исполнение | механизм в корпусе (в сборе) |
| Номинальное напряжение, В | АС 230 |
| Частота тока, Гц | 50 |
| Количество каналов | 1 |
| Тип и количество контактов | 1 переключающий |
| Потребляемая мощность, Вт | 1 |
| Максимальный коммутируемый ток контактов (АС-1), А | 16 |
| Тип программы | недельная, импульс |
| Режим работы | ручной, авто |
| Максимальная мощность нагрузки, Вт | 2300 |
| Напряжение изоляции Ui, В | 300 |
| Погрешность отчета временных интервалов, с./сутки | 1 |
| Переход на зимнее / летнее время | откл./авто |
| Емкость памяти, количество программ | до 80 |
| Время сохранения заданных параметров при отключении питания сети, лет | 3 |
| Тип элемента питания | CR2450 (3 В) |
| Механическая износостойкость, циклов вкл. / откл. | 106 |
| Коммутационная износостойкость, циклов вкл. / откл. | 105 |
| Диапазон рабочих температур, °C | -5... +40 |
| Степень защиты от пыли и влаги | IP20 |
| Способ монтажа | на DIN рейку |
| Максимальное сечение происоединяемого провода, кв.мм | 4 |
| Момент затяжки контактных зажимов, Н*м | 0,5 |
| Вес изделия, кг | 0,13 |
| Срок службы, лет | 20 |
Подключение
- При однофазной нагрузке менее 3 кВт - прямое подключение.

- При однофазной нагрузке 3 кВт и более - подключение через контактор.
- При трехфазной нагрузке - подключение через контактор.










