Описание и характеристики
Выключатель автоматический модульный BM63-2C25-4,5-УХЛ3 OptiDin КЭАЗ (2Р, 25 А, характеристика C, 4,5 кА)
Выключатели автоматические КЭАЗ серии OptiDin BM63 предназначены для защиты электрических цепей от перегрузки и токов короткого замыкания, для проведения тока в нормальном режиме и оперативных включений и отключений указанных цепей.
Соответствуют требованиям ГОСТ IEC 60898-1 (бытового назначения переменного тока), ТР ТС 004/2011.
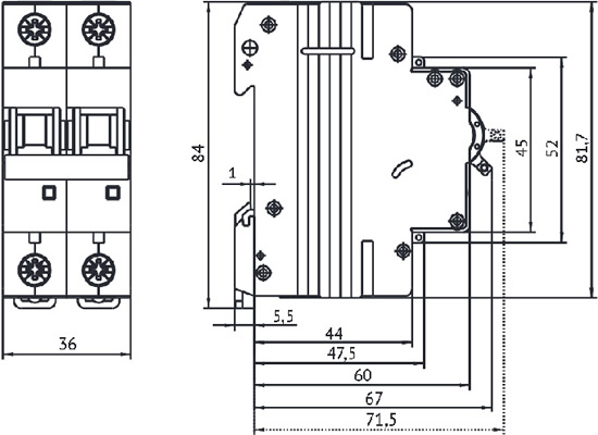
Размеры

Особенности конструкции
- Серебросодержащие напайки на подвижном контакте для повышения износостойкости и уменьшения значения переходного сопротивления.
- 13 пластин в дугогасительной камере эффективно гасят дугу и обеспеспечивают безопасное отключение в аварийной ситуации.
- Лучшее охлаждение за счет профильных углублений на корпусе.

- Возможность опломбировать рукоятку для предотвращения несанкционированного включения / отключения.
- Особая конструкция зажимов обеспечивает максимально плотный и больший по площади контакт для предотвращения нагрева и оплавления проводников.

Технические характеристики
| Артикул | 326805 |
| Тип изделия | автоматический выключатель |
| Число полюсов | 2P |
| Общее количество защищенных полюсов | 2 |
| Модульная ширина (шаг 18 мм) | 2 |
| Род тока | переменный (АС) |
| Номинальное рабочее напряжение Ue, В | АС 230 |
| Частота тока, Гц | 50 / 60 |
| Минимальное рабочее напряжение, В | 24 |
| Номинальный ток In, А | 25 |
| Номинальная предельная наибольшая отключающая способность Icu, А | 4500 |
| Вид расцепителей | тепловой и электромагнитный |
| Уставка расцепителей токов короткого замыкания | 5In - 10In |
| Тип защитной характеристики | С |
| Потери мощности, Вт | 9 |
| Категория перенапряжения | 4 |
| Класс токоограничения | 3 |
| Наличие защиты от сверхтоков | есть |
| Селективная защита | нет |
| Отключение нейтрали (N) | да |
| Номинальное импульсное напряжение Uimp, В | 4000 |
| Категория применения | А |
| Износостойкость выключателя общая, циклов | 10000 |
| Износостойкость выключателя коммутационная, циклов | 5000 |
| Возможность самостоятельного подключения дополнительных устройств | нет |
| Способ крепления | DIN-рейка |
| Присоединение внешних проводников | переднее |
| Сечение провода, присоединяемого к выводным зажимам, кв.мм | 1,0 - 25 |
| Крутящий момент затяжки винтов, Н*м | 2 |
| Диапазон рабочих температур, °C | -60... +40 |
| Степень защиты от пыли и влаги | IP20 |
| Климатическое исполнение и категория размещения | УХЛ3 |
| Степень загрязнения | 2 |
| Режим эксплуатации | продолжительный |
| Вес изделия, г | 225 |
Схема электрическая принципиальная
