zakaz@k-kirov.ru

Держатель предохранителя ДП-33 габ.0 160А

цена
746,17 ₽/шт
наличие
Под заказ
шт
Подобрать аналогСвязанные товары

Описание и характеристики

Держатель предохранителя ДП-33, габарит 0 (160 А), IEK DPP20D-DP-160

Держатель ДП-33, габарит 0, предназначен для установки предохранителя плавкого серии ППНИ типа gG общего применения во вводно-распределительных устройствах (ВРУ), шкафах и пунктах распределительных (ШРС, ШР, ПР), в оборудовании трансформаторных подстанций (ЩО), шкафах низкого напряжения (ШРПНН), шкафах и ящиках управления.

Конструкция, технические параметры, габаритные и установочные размеры плавких вставок и держателей ППНИ соответствуют современным стандартам МЭК и ГОСТ, позволяют заменять собой аналогичные устройства как отечественного, так и импортного производства.

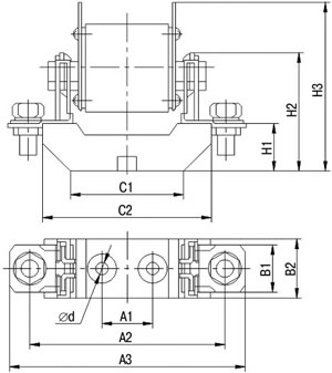
Размеры

Размеры, мм
Н1 Н2 Н3 А1 А2 А3 В2 С1 С2 Od
37 72 91 25 150 170 30 68 130 7,5

Материалы

  • Контакты предохранителя и держателя выполнены из электротехнической меди с гальваническим покрытием сплавом олово - висмут, что предотвращает их окисление в процессе эксплуатации.
  • Основание держателя (изолятор) выполнено из армированной термореактивной пластмассы, стойкой к коррозии, механическим воздействиям, перепадам температуры и динамическим ударам, которые возникают при коротких замыканиях вплоть до 120 кА.

Технические характеристики

Типоразмер 0 (NH0)
Номинальный ток, А 160
Количество полюсов 1
Номинальная рассеиваемая мощность держателя, Вт 25
Вес, г 295

Связанные товары

Аналоги