Описание и характеристики
Переключатель ALC-22 IEK на 2 фиксированных положения I-O (1з + 1р, длинная рукоятка), черный
Переключатель ALC-22 на два фиксированных положения I-O предназначен для переключения отдельных электрических цепей переменного тока напряжением до 660 В частотой 50 Гц или постоянного тока напряжением до 440 В.
Применяется в электрощитовом, промышленном, технологическом оборудовании, на объектах энергоснабжения.
Преимущества
- Высокая надежность.
- Простота монтажа.
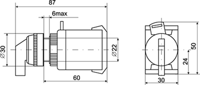
Размеры

Материалы и цвета
| Цвет ручки | Черный |
| Материал основания | пластик |
Особенности конструкции
- Переключатель состоит из двух узлов: быстросъемной головки и контактного модуля.
- Контактный модуль присоединяется к блоку переключателя за счет фиксации пластмассовым флажком.
- Подключение подводящих проводников производят винтовыми зажимами с тарельчатыми шайбами, которые обеспечивают надежную фиксацию проводов.
Технические характеристики
| Артикул | BSW10-ALC-2-K02 | |
| Тип изделия | переключатель на два фиксированных положения I-O | |
| Конструктивное исполнение | удлиненная поворотная ручка, съемный контактный блок | |
| Контакты | 1 замыкающий + 1 размыкающий | |
| Позиции переключения | 0 - 1 | |
| Наличие подсветки | нет | |
| Номинальное рабочее напряжение переменного тока, В | 110 / 230 / 400 / 660 | |
| Номинальное рабочее напряжение постоянного тока, В | 24 / 48 / 110 / 220 / 440 | |
| Номинальное напряжение по изоляции Ui, В | 660 | |
| Номинальный тепловой ток Ith, А | 10 | |
| Номинальный рабочий ток Ie контактов в категории применения АС-15, А | 110 В | 10 |
| 230 В | 7,5 | |
| 400 В | 4,5 | |
| 660 В | 2,5 | |
| Номинальный рабочий ток Ie контактов в категории применения DС-14, А | 24 В | 10 |
| 48 В | 5 | |
| 110 В | 2,5 | |
| 220 В | 1,3 | |
| 440 В | 0,6 | |
| Электрическая износостойкость, циклов В-0 х 106 | 0,3 (переменный ток) / 0,25 (постоянный ток) | |
| Механическая износостойкость, циклов В-О х 106 | 0,6 | |
| Диапазон рабочих температур, °С | -10... +40 | |
| Степень защиты от пыли и влаги (ГОСТ 14254) | IP40* (с наружной стороны) / IP00 (со стороны зажимов) | |
| Степень загрязнения | 3 | |
| Тип монтажа | встраиваемый | |
| Способ подключения | винтовое соединение | |
| Максимальная присоединительная способность контактных зажимов | 2 х 2,5 кв.мм | |
| Класс защиты от поражения электрическим током | II | |
| Срок службы, лет | 10 | |
* Возможна установка изделия в пластиковый корпус поста КП (приобретается отдельно) для обеспечения степени защиты от пыли и влаги IP54.
Схема электрическая

Монтаж
- Отключить корпус (электрощит) от электроснабжения, если он действующий.
- На панели, предназначенной для установки изделия, вырезать отверстие диаметром 22 мм.
- На корпусе изделия повернуть красный флажок механизма сцепления головки с корпусом по часовой стрелке и вынуть головку из корпуса.
- С основания головки отвинтить гайку крепления, вставить головку изделия в подготовленное отверстие и закрепить ее на панели гайкой, навинтив гайку на основание головки сзади панели.
- Корпус изделия надеть на основание головки и повернуть флажок механизма крепления против часовой стрелки до упора.
- Проверить правильность срабатывания изделия, подсоединив к выходным зажимам контактов (поочередно HP или НЗ) тестирующее устройство (мультиметр в режиме прозвона цепи или любое другое устройство) и проведя несколько переключений рукояткой.
- Присоединить необходимые провода в соответствии со схемой собираемого устройства.