Описание и характеристики
Реле перегрузки тепловое РТ03-25-32-18.0A-25.0A DEKraft 23121DEK (18 - 25 А)
Тепловые реле перегрузки РТ-03 DEKraft предназначены для защиты цепей переменного тока и электродвигателей от перегрузки, асимметрии фаз, затянутого пуска и заклинивания ротора.
Перегрузка возникает при превышении расчетных нагрузок двигателя.
Асимметрия фаз (падение напряжения в одной из фаз) может быть вызвана несбалансированной нагрузкой либо недостаточной площадью контакта при подключении двигателя, либо слабой затяжкой одного из контактов.
Асимметрия фаз приводит к сильному нагреву, вибрациям, разрушениям подшипников и обмоток электродвигателя.
При асимметрии фаз масштаба 50 % срок службы двигателя снижается в 5 - 10 раз.
Затянутый пуск - пуск двигателя, который происходит в плохих условиях, например, при блокировке ротора или когда двигатель не выходит на номинальную скорость.
Заклинивание ротора - механическое повреждение ротора, при котором что-то препятствует его вращению.
Все вышеперечисленные проблемы могут привести к поломке электродвигателя.
Реле РТ-03 позволяет их избежать и продлить срок службы двигателя.
Тепловое реле перегрузки РТ-03 может устанавливаться как непосредственно вместе с контактором, так и отдельно от него на специальное основание ОС-03.
Принцип действия
- Чем выше значение протекающего через реле РТ-03 тока, тем сильнее изгибается биметаллическая пластина реле, размещенная в каждом полюсе.
- При достижении током величины 1.1 х заданное значение тока уставки изгиб пластины становится таким, что она размыкает контакт, и электродвигатель отключается от сети.
Преимущества

Универсальность.
Реле подходит к контакторам других изготовителей.

Двойная функция рычага "Тест".
Легкая проверка работоспособности и индикация состояния контактов реле (среднее положение рычага обозначает перегрузку).

Возможность опломбирования лицевой панели
исключает доступ посторонних лиц к настройкам токов уставки и другим функциям реле.

Два режима повторного включения
ручной и автоматический. Их можно переключить диском на лицевой панели.

Простота монтажа - никаких проводов
необходимо лишь зацепить специальный крепежный крючок и затянуть клеммные зажимы контактора.

Исполнения на токи до 95 А.
Три типоразмера реле используются с контакторами от 9 до 95 А.

Дублирующий контакт
катушки управления контактора существенно упрощает монтаж теплового реле под контактор.
Если провод быстрого подключения не используется, то его можно откусить.

Остановка работы двигателя кнопкой на передней панели
доступной, в том числе, и при закрытой крышке.
Размеры
Габаритные размеры РТ-03 для контакторов 25 - 32 А:

РТ-03 для контакторов 25 - 32 А - независимая установка:

Технические характеристики
| Параметры силовой цепи | ||
|---|---|---|
| Номинальное рабочее напряжение Ue, В | 230, 400, 660 | |
| Номинальное напряжение изоляции Ui, В | 690 | |
| Номинальное импульсное напряжение Uimp, кВ | 8 | |
| Частота сети переменного тока, Гц | 50 / 60 | |
| Диапазон уставок тока реле, А | 18 - 25 | |
| Класс расцепления | 10 А | |
| Защита от короткого замыкания - предохранитель gG, А | 50 | |
| Способ подключения силовой цепи | винтовое соединение | |
| Сечение подключаемого провода, кв.мм | 4 - 6 | |
| Момент затяжки, Н*м | 1,7 | |
| Климатическое исполнение и категория размещения | УХЛ4 | |
| Совместимость с контакторами | КМ-103 25 А, 32 А | |
| Соответствие стандартам | ГОСТ Р 50030.4.1-2002 (МЭК 60947-4-1-2000) ГОСТ Р 50030.5.1-2005 (МЭК 60947-5-1-2003) | |
| Параметры вспомогательной цепи | ||
| Количество и вид встроенных дополнительных контактов | 1 нормально разомкнутый + 1 нормально замкнутый | |
| Номинальный ток, А | АС-15, 220 В | 1,64 |
| АС-15, 380 В | 0,95 | |
| DС-13, 220 В | 0,2 | |
| Ток термической стойкости Ith, А | 6 | |
| Максимальная мощность катушки контактора, В*А | 360 | |
| Номинальное импульсное напряжение Uimp, кВ | 6 | |
| Защита от короткого замыкания - предохранитель gG, А | 5 | |
| Сечение подключаемого провода, кв.мм | 1 | |
| Момент затяжки, Н*м | 1,2 | |
Характеристики срабатывания

График 1: 3 полюса из "холодного состояния".
График 2: 2 полюса (обрыв фазы) из "холодного состояния".
График 3: 3 полюса из "горячего состояния".
Маркировка

Диапазон уставок реле. Уставка - это величина тока в амперах.
Как правило, ее выставляют равной номинальному току двигателя или близко к нему.
Реле не разрывает цепь, пока сила тока в ней не достигнет 1.1 х ток уставки, что воспринимается аппаратом как перегрузка.

Таблица с техническими параметрами электродвигателя при различных значениях напряжения.
Информация содержится на боковой этикетке теплового реле.

Типоразмер контакторов, на использование совместно с которым рассчитано реле.
Информация содержится на боковой этикетке теплового реле.
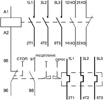
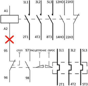
Электрические схемы
Установка реле под контактор

Независимая установка (через основание)

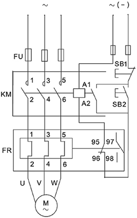
Силовая схема подключения
