Описание и характеристики
Рубильник ВР32И-35В31250 250А IEK (дугогасительные камеры, боковая смещенная рукоятка)
Выключатели-разъединители серии ВР32И предназначены для неавтоматической коммутации цепей переменного тока номинальным напряжением до 690 В номинальной частоты 50 Гц.
Используются для установки в низковольтные комплектные устройства, такие, как ВРУ жилых, общественных и промышленных зданий, шкафы и пункты распределительные, шкафы и ящики управления, ящики силовые и т.п.
Соответствуют требованиям ГОСТ Р 50030.3, изготовлены по ТУ 3424-029-18461115-2009.
Преимущества
- Удобство монтажа и эксплуатации.
- Низкие потери мощности за счет применения современных материалов.
- Двойной видимый разрыв цепи, съемная рукоятка, цветовая индикация положения "Включено" позволяют повысить безопасность обслуживания электроустановки техническим персоналом.
- Возможность присоединения медных и алюминиевых токопроводящих жил, а также медных и алюминиевых шин.
- Маркировка наносится на корпус методом тампопечати, который обеспечивает долговечное сохранение информации об изделии.
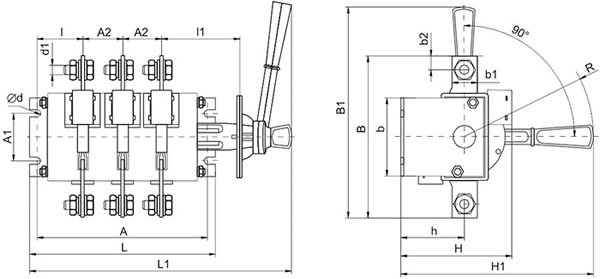
Размеры

| Размеры, мм | ||||||||
|---|---|---|---|---|---|---|---|---|
| А | А1 | А2 | В | В1 | L1 | L | b | b1 |
| 172 | 50 | 44 | 164 | 242 | 282 | 186 | 82,5 | 25 |
| b2 | H | H1 | I | I1 | h | d | d1 | R |
| 12,5 | 102 | 218 | 42,1 | 80 | 58 | 7 | М10 | 160 |
Конструкция и материалы
Двойной видимый разрыв цепи обеспечивает безопасность |
Дополнительная цветовая индикация положения "Включено" |
Корпус ВР32И выполнен из самозатухающего |
Съемная рукоятка позволяет повысить |
Контактные выводы, выполненные из высококачественной |
Дугогасительные камеры, большой раствор контактов, |
Технические характеристики
| Артикул | SRK21-111-250 |
| Условный тепловой ток на открытом воздухе Ith, А | 250 |
| Максимальное допустимое рабочее напряжение Ue, В | АС 690 |
| Количество полюсов | 3 |
| Количество направлений | одно |
| Вид рукоятки ручного привода | съемная боковая смещенная |
| Наличие дугогасительных камер | есть |
| Тип подключения силовой электрической цепи | болтовое соединение |
| Расположение плоскости присоединения внешних зажимов контактных выводов | перпендикулярно плоскости монтажа |
| Степень защиты от пыли и влаги (передняя сторона) | IP00 |
| Частота, Гц | 50 |
| Номинальное импульсное выдерживаемое напряжение, кВ | 8 |
| Номинальное напряжение изоляции Ui, В | 690 |
| Сечение входящего кабеля, кв.мм | 70 - 150 |
| Климатическое исполнение и категория размещения | УХЛ3 |
| Тепловые потери | 15 Вт на полюс |
| Диапазон рабочих температур, °С | -60... +45 |
| Вес изделия, кг | 1,72 |
Схема подключения






