Описание и характеристики
Корпус металлический ЩМП-1-0 У2 IP54 RAL 3020 IEK, красный, 395 х 310 х 220 мм
Корпус ЩМП IEK красного цвета предназначен для сборки систем пожарной автоматики: шкафов управления пожарными насосами, шкафов пожарной сигнализации, а также других НКУ любого уровня сложности на токи до 630 А.

Преимущества
- Полностью роботизированная сварка (сплошная проварка швов).
- Монтажная панель толщиной 1,5 мм позволяет крепить тяжелое оборудование.
- Толщина металла корпуса гарантирует высокую жесткость изделия.
- Полиуретановый уплотнитель по периметру двери для защиты от попадания влаги.
- Наличие отверстий под кабельный ввод и сальников.
- Комплект для навески и провод заземления входят в базовую комплектацию корпуса.
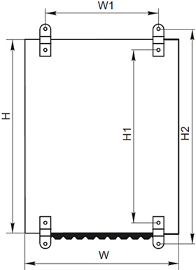
Размеры и вес

| Размеры, мм | Вес изделия, кг | ||||||
|---|---|---|---|---|---|---|---|
| W | W1 | H | H1 | H2 | глубина корпуса | размеры монтажной панели | |
| 310 | 230 | 395 | 317 | 440 | 220 | 330 х 250 | 6,4 |
Материалы и цвета
| Цвет корпуса | Красный (RAL 3020) |
| Материал корпуса | сталь |
| Покрытие корпуса | порошковое, шагрень (ГОСТ 53325-2012) |
| Материал монтажной панели | оцинкованная сталь 1,5 мм |
Особенности конструкции
- Сварной металлический корпус со съемной оцинкованной монтажной панелью.
- Дверца имеет уплотнитель из двухкомпонентного полиуретана.
- Дверца корпуса запирается на замок со степенью защиты от пыли и влаги IP54. Ключ замка имеет единый секрет.
Технические характеристики
| Артикул | IND-YKM40-01-54 |
| Тип изделия | корпус ЩМП |
| Исполнение | навесной |
| Наличие монтажной платы | есть |
| Номинальный ток, А | до 630 |
| Угол открытия двери, градусов | 105 |
| Тип применяемых аппаратов | любой |
| Ввод кабеля | снизу |
| Количество вводных отверстий, шт. | 11 |
| Диаметр вводных отверстий, мм | 31 |
| Степень защиты от пыли и влаги | IP54 |
| Климатическое исполнение и категория размещения | У2* |
| Степень защиты от внешнего механического воздействия | IK08 |
* Возможна установка щита на улице под навесом.
Расшифровка условных обозначений

Комплектация
- Корпус металлический.
- Монтажная панель.
- Замок IP54.
- Набор сальников для ввода кабеля.
- Комплект для навески щита.
- Провод заземления.
- Знаки электробезопасности.