





Описание и характеристики
Бокс навесной ЩРН-П-8 Schneider Electric EZ9E108S2SRU Easy9, дверь прозрачная
Щит распределительный пластиковый навесной Schneider Electric серии Easy9 Box предназначен для установки модульного оборудования на объектах жилищного и гражданского строительства.
Устанавливается внутри помещений.
Преимущества
- Эргономичный дизайн.
- Гладкая блестящая поверхность.
- Легкая установка.
Материалы и цвета
- Цвет корпуса: Белый.
- Дверь прозрачная.
- Материал корпуса: изоляционный самозатухающий технопластик стойкий к открытому пламени и аномальному нагреву +650 °С (30 сек.).
Особенности конструкции
- Дверца с углом открытия 180°.
- 1 din-рейка.
- Нейтральный и заземляющий клеммные блоки установлены на держатель.
- Ввод кабеля можно осуществлять сверху / снизу или с задней стороны.
- Маркировочная лента для модульного оборудования.
- Крепежные отверстия овальной формы для удобства установки и вертикального выравнивания щита.
- Указание расстояний до крепежных отверстий щита.
Технические характеристики
| Тип монтажа | накладной |
| Количество рядов | 1 |
| Количество модулей в ряду (18 мм) | 8 |
| Общее количество модулей в щите (18 мм) | 8 |
| Номинальный ток In, А | 63 |
| Номинальное рабочее напряжение Ue, В | 400 |
| Напряжение изоляции Ui, В | 500 |
| Клеммные блоки | 2 шт. х 8 контактов |
| Рабочая температура, °С | -5... +60 |
| Соответствие стандартам | IEC 60670-1-24 / ТС 004/2011 |
| Степень защиты от пыли и влаги | IP40 (при закрытой двери) |
| Степень защиты от механических воздействий | IK07 |
| Степень загрязнения | 2 |
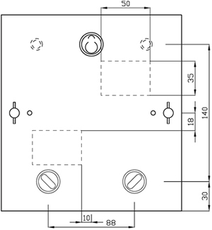
Габаритные и установочные размеры
| Вид сбоку | Вид сверху |
|---|---|
![]() |
![]() |
| Вид спереди | Вид сзади |
|---|---|
![]() |
![]() |



