




Описание и характеристики
Датчик освещенности DF 302 "Эра" (2200 ВА, 10 А, IP44) открытой установки
Датчик освещенности DF 302 "Эра" предназначен для автоматического включения и отключения осветительных приборов в однофазных электрических сетях переменного тока напряжением 230 В частотой 50 Гц, в зависимости от уровня освещенности окружающей среды.
Датчик может автоматически включать или выключать свет в соответствии с окружающим освещением.
Температура и влажность окружающей среды при этом не влияют на работу устройства.
Это не только удобно, но и практично: позволяет контролировать нагрузку, работающую только ночью, например, дорожное освещение, садовый свет и т.д.
Коммутация подключаемой нагрузки осуществляется встроенным электромеханическим реле.
![]() |
![]() |
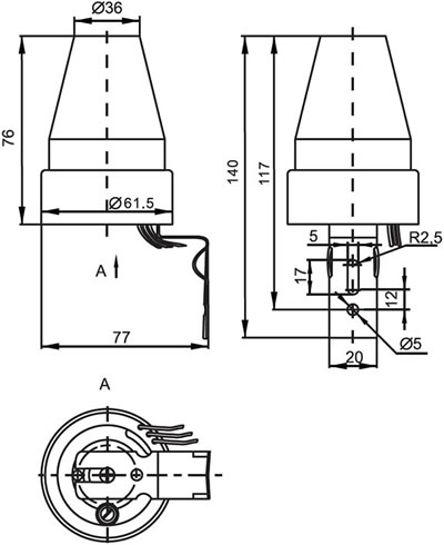
Размеры

Технические характеристики
| Артикул | Б0043805 |
| Тип изделия | датчик освещенности |
| Фотоэлемент | встроенный |
| Напряжение питания, В | АС 220 - 240 |
| Частота тока, Гц | 50 |
| Максимальная мощность нагрузки Pmax*, ВА | 2200 |
| Максимальный ток нагрузки, А | 10 |
| Освещенность включения, лк | 10 - 100 (регулируется) |
| Освещенность отключения, лк | 40 - 250 (регулируется) |
| Температура эксплуатации, °C | -25... +45 |
| Относительная влажность воздуха при +25 °C, % | до 98 |
| Степень защиты от пыли и влаги | IP44 (ГОСТ 14254) |
| Класс защиты от поражения электрическим током | II (ГОСТ IEC 61140) |
| Тип монтажа | открытая установка |
| Способ крепления | монтажным уголком к стене |
| Сечение присоединительных проводников, кв.мм | 0,75 |
| В комплекте | монтажный уголок, крепежные элементы |
| Срок службы, не менее, лет | 7 |
* Мощность нагрузки в ваттах рассчитывается по формуле: P = Pmax х cos ?,
где Pmax- максимальная мощность нагрузки в вольт-амперах, cos ? - коэффициент мощности.
Монтаж и подключение
- Смонтируйте уголок на основании датчика.
- Датчик в сборе с уголком закрепите на месте монтажа при помощи монтажных элементов, входящих в комплект.
- Монтаж датчика DF 302 производится защитным кожухом вверх.
- Выполните подключение контактных проводников.

