Описание и характеристики
Разъединитель ПЦ-4 TEXENERGO (3Р, 400 А, центральный привод без вставок)
Переключатели серии ПЦ с центральным ручным приводом предназначены для пропускания номинальных токов, неавтоматического включения, переключения и отключения без нагрузки электрических цепей номинальной частотой 50 и 60 Гц напряжением до 400 В переменного тока и 230 В постоянного тока в устройствах распределения электрической энергии.
Применяются во вводно-распределительных устройствах жилых и общественных зданий, промышленных предприятий, в шкафах и щитах распределительных.
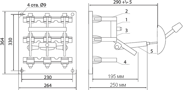
Размеры

1 - нож контактный.
2, 3, 4 - неподвижный контакт.
5 - скоба к приводу ПРЦ.
Особенности конструкции
- Основными частями аппарата являются ножи, контактные и осевые стойки, смонтированные на общей плите.
- Переключатель имеет один ряд осевых и два ряда контактных стоек.
- Необходимое контактное нажатие на контактных стойках обеспечивается пружинами, на осевых - сферическими шайбами.
- У переключателя с центральным приводом ножи жестко связаны с осью, которая приводится в движение тягой, непосредственно соединенной с рычажным приводом.
- Рукоятка привода съемная, снимается только в отключенном положении аппарата.
- Контактные зажимы переключателя обеспечивают присоединение к ним не более двух как медных, так и алюминиевых проводников.
- Все резьбовые соединения аппарата предохранены от самоотвинчивания.
- Включенное и отключенное положение аппарата указывается положением рукоятки привода.
Технические характеристики
| Тип изделия | переключатель ПЦ (разъединитель) |
| Вид привода | съемная центральная рукоятка |
| Число полюсов | 3 |
| Номинальное рабочее напряжение Ue, В | 400 |
| Номинальная частота переменного тока, Гц | 50 |
| Номинальный ток, А | 400 |
| Корпус | открытый |
| Номинальная включающая и отключающая способность рубильников в электрических цепях переменного тока при напряжении равном 1,05Ue, токе равном 1,5In, коэффициенте мощности 0,95 | не менее 10 циклов В-О |
| Работоспособность в процессе эксплуатации в электрических цепях переменного тока при номинальном напряжении, токе равном 0,5In, коэффициенте мощности 0,95 | не менее 500 циклов В-О |
| Кратковременно выдерживаемый ток, кА | 8 |
| Категория применения по ГОСТ Р 50030.3 | АС-208 |
| Температура окружающего воздуха, °C | -45... +40 |
| Относительная влажность воздуха при +40 °C, % | 50* |
| Степень защиты от пыли и влаги | IP00 |
| Климатическое исполнение и категория размещения по ГОСТ 15150 | У3 |
| Степень загрязнения окружающей среды | 3 (ГОСТ 50030.1) |
| Механическая износостойкость, не менее, циклов В-О | 2500 |
| Рабочее положение аппарата при эксплуатации | вертикальное, с возможным отклонением в любую сторону не более 5° |
| Способ крепления | на монтажную плату |
| Номинальный режим эксплуатации | продолжительный |
| Класс защиты от поражения электрическим током по ГОСТ 12.2.007.0 | 0 |
| Вес изделия, кг | 5,96 |
* Допускается относительная влажность воздуха до 90% при температуре +20 °C.