Описание и характеристики
Рубильник ВР32И-31В71250 100А IEK (дугогасительные камеры, боковая смещенная рукоятка)
Выключатели-разъединители серии ВР32И предназначены для неавтоматической коммутации цепей переменного тока номинальным напряжением до 690 В номинальной частоты 50 Гц.
Используются для установки в низковольтные комплектные устройства, такие, как ВРУ жилых, общественных и промышленных зданий, шкафы и пункты распределительные, шкафы и ящики управления, ящики силовые и т.п.
Соответствуют требованиям ГОСТ Р 50030.3, изготовлены по ТУ 3424-029-18461115-2009.
Преимущества
- Удобство монтажа и эксплуатации.
- Низкие потери мощности за счет применения современных материалов.
- Двойной видимый разрыв цепи, съемная рукоятка, цветовая индикация положения "Включено" позволяют повысить безопасность обслуживания электроустановки техническим персоналом.
- Возможность присоединения медных и алюминиевых токопроводящих жил, а также медных и алюминиевых шин.
- Маркировка наносится на корпус методом тампопечати, который обеспечивает долговечное сохранение информации об изделии.
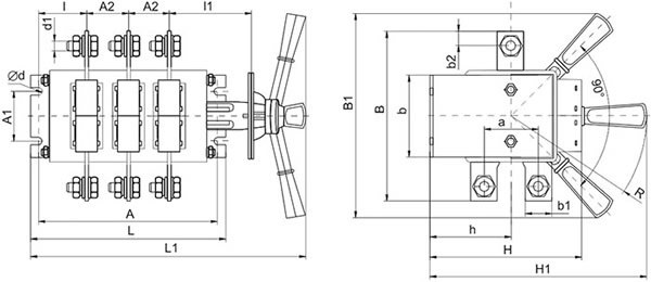
Размеры

| Размеры, мм | |||||||||
|---|---|---|---|---|---|---|---|---|---|
| А | А1 | А2 | В | В1 | L1 | L | b | b1 | b2 |
| 145,5 | 50 | 37,5 | 120 | 240 | 262,5 | 157,5 | 65 | 15 | 7,5 |
| H | H1 | I | I1 | h | a | d | d1 | R | |
| 127,5 | 231,5 | 35,25 | 78,25 | 71,5 | 38 | 7 | М6 | 160 | |
Конструкция и материалы
- Двойной видимый разрыв цепи обеспечивает безопасность обслуживания электроустановки техническим персоналом.
- Дополнительная цветовая индикация положения "Включено" сигнализирует о необходимых мерах предосторожности.
- Корпус ВР32И выполнен из самозатухающего механически прочного пластика.
- Съемная рукоятка позволяет повысить безопасность эксплуатации электроустановки.
- Контактные выводы, выполненные из высококачественной электротехнической меди с нанесенным защитным покрытием, позволяют присоединять медные и алюминиевые токопроводящие жилы, оконцованные кабельными наконечниками, а также медные и алюминиевые шины.
- Дугогасительные камеры, большой раствор контактов, двойной разрыв цепи обеспечивают эффективное гашение электрической дуги при коммутации нагрузок, что снижает износ контактов.
Технические характеристики
| Артикул | SRK01-211-100 |
| Условный тепловой ток на открытом воздухе Ith, А | 100 |
| Максимальное допустимое рабочее напряжение Ue, В | АС 690 |
| Количество полюсов | 3 |
| Количество направлений | два |
| Вид рукоятки ручного привода | съемная боковая смещенная |
| Наличие дугогасительных камер | есть |
| Тип подключения силовой электрической цепи | болтовое соединение |
| Расположение плоскости присоединения внешних зажимов контактных выводов | перпендикулярно плоскости монтажа |
| Степень защиты от пыли и влаги (передняя сторона) | IP00 |
| Частота, Гц | 50 |
| Номинальное импульсное выдерживаемое напряжение, кВ | 8 |
| Номинальное напряжение изоляции Ui, В | 690 |
| Сечение входящего кабеля, кв.мм | 10 - 50 |
| Климатическое исполнение и категория размещения | УХЛ3 |
| Тепловые потери | 3 Вт на полюс |
| Диапазон рабочих температур, °С | -60... +45 |
| Вес изделия, кг | 1,47 |
Схема подключения


