





Описание и характеристики
Рубильник ВР 3231 В71250 (100 А, дугогасительные камеры, боковая смещенная рукоятка)
Выключатель-разъединитель трехполюсный на два направления на номинальный ток 100 А, с боковой смещенной рукояткой предназначен для включения, пропускания и отключения переменного и постоянного тока в устройствах распределения электрической энергии.
Изготовлен по ГОСТ 15150.
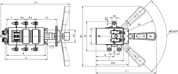
Габаритные и установочные размеры

| А | А1 | А2 | B | B1 | L1 | L | а | b | b1 | b2 | H | H1 | H3 | I | I1 | h | d | R |
|---|---|---|---|---|---|---|---|---|---|---|---|---|---|---|---|---|---|---|
| 150 | 50 | 37,5 | 120 | 242 | 265 | 162 | 38 | 65 | 16 | 7,5 | 107,5 | 232,5 | 127,5 | 35 | 80 | 71 | 7 | 162 |
Технические характеристики
| Обозначение | ВР32-31-В71250-100А-УХЛ3-КЭАЗ |
| Категория ETIM | выключатель-разъединитель |
| Электротехнические характеристики | |
|---|---|
| Количество полюсов | 3 |
| Номинальный ток In, А | 100 |
| Частота тока, Гц | 50 / 60 |
| Род тока | AC / DC |
| Номинальное рабочее напряжение переменного тока Ue, В | 660 |
| Номинальный кратковременно выдерживаемый ток (в течение 1 с.), кА | 5 |
| Номинальный условный ток короткого замыкания Iq, кА | 8 |
| Номинальное рабочее напряжение постоянного тока Ue, В | 440 |
| Число направлений коммутации | 2 |
| Номинальное напряжение изоляции Ui, В | 660 |
| Условный тепловой ток на открытом воздухе Ith, A | 100 |
| Условный тепловой ток в оболочке Ithe, A | 80 |
| Монтажные характеристики | |
| Способ крепления (монтажа) | винт |
| Максимальное сечение присоединяемых проводов, кв.мм | 50 |
| Способ установки | стационарный с креплением на панели |
| Расположение плоскости присоединения внешних проводников | перпендикулярно |
| Расположение рукоятки ручного привода | правое |
| Эксплуатационные характеристики | |
| Климатическое исполнение и категория размещения | УХЛ3 |
| Степень защиты от пыли и влаги | IP00 |
| Диапазон рабочих температур, °С | -60... +40 |
| Группа условий эксплуатации | М4, М25, М29 |
| Категория применения IEC и номинальный ток | 100 A AC-21 B, 100 A DC-21B, 80 A AC-22B, 63 A DC-22B |
| Механическая износостойкость, циклов В-О | 25000 |
| Дополнительные особенности | |
| Тип элемента управления | рычажковый (перекидной рычаг) |
| Дополнительное оборудование | дугогасительные камеры |
| Подходит для монтажа в горизонтальной плоскости | да |
| Пригоден в качестве предохранительного выключателя | да |
| Вид рукоятки | боковая смещенная |
| Исполнение рукоятки | съемная |
| Подходит для фронтального монтажа | да |
| Моторный привод встроенный | нет |
| Моторный привод (дополнительно) | нет |
| Пригоден в качестве устройства аварийной остановки | да |
| Пригоден в качестве сервисного выключателя | да |
| Компактная версия выключателя-разъединителя | нет |
| Подходит для установки в распределительный щит | да |
| Подходит для промежуточного монтажа | нет |
| Взаимоблокирующий | нет |
| Вес, кг | 1,8 |