Описание и характеристики
Устройство защиты многофункциональное УЗМ-50МД "Меандр" (УХЛ4)
Устройство защиты многофункциональное УЗМ-50МД предназначено для отключения оборудования при обнаружении аварийной электрической дуги в электропроводке, а также при опасном снижении или повышении сетевого напряжения в однофазных сетях.
Защищает подключенное к нему оборудование (в квартире, офисе, на производстве и пр.) от разрушающего воздействия импульсных скачков напряжения, вызванных срабатыванием близкорасположенных и подключенных к этой же сети электродвигателей, магнитных пускателей или электромагнитов, тем самым предотвращая выход оборудования из строя и возможное возгорание с последующим пожаром.
Устройство разработано в соответствии с требованиями стандарта DIN EN 62606 (VDE 0665-10) / IEC 62606.
Преимущества
- Наличие функции детектирования аварийной электрической дуги.
- Встроенная варисторная защита от импульсных скачков сетевого напряжения.
- Номинальный ток коммутации 63 А / 250 В (14 кВт).
- Двухпороговая защита от перенапряжения (задержка срабатывания): >270 В / 0,2 с. и >300 В / 20 мс.
- Двухпороговая защита от снижения напряжения (задержка срабатывания): <155 В / 10 с. и <130 В / 100 мс.
- Сохраняет работоспособность в широком диапазоне напряжения питания: 0... 440 В.
- Уникальная система тестирования.
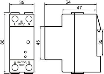
Размеры

Конструкция
- Устройство представляет собой реле контроля напряжения с мощным электромагнитным реле на выходе, дополненное варисторной защитой и совмещенное с устройством защиты от искрения (УЗИс) - Arc Fault Сircuit Interrupter (AFCI).
- Устройство устанавливается на монтажную DIN-рейку шириной 35 мм (ГОСТ Р МЭК 60715-2003) с передним подключением проводов питания коммутируемых электрических цепей.
- Клеммы туннельной конструкции обеспечивают надежный зажим проводов суммарным сечением до 35 кв.мм.
- На лицевой панели УЗМ расположены два двухцветных индикатора: "норма - авария" (зеленый / красный) и "реле - дуга" (желтый / красный), а также кнопка ручного управления.
Функциональные возможности
- Одномодульное устройство AFCI УЗМ-50МД с рабочим током 63 А, со встроенным расцепителем, с возможностью повторного включения.
- Функция защиты от недо-, перенапряжения (фиксированные пороги 155 и 270 В).
- Защита от импульсного перенапряжения (200 Дж).
- Функция повторного включения при восстановлении напряжения после аварии.
- Функция "умного" повторного включения при обнаружении дуги в электропроводке (2 попытки включения через разные интервалы времени).
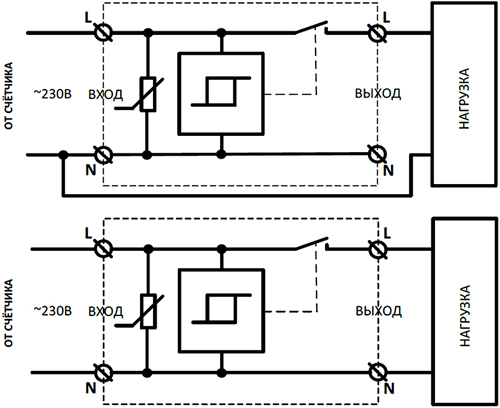
- Возможна установка как на вводе в помещение, так и на отходящие линии.
- Возможна совместная работа с любыми аппаратами защиты, АВ, УЗО или АВДТ.
- Тестирование работоспособности AFCI УЗМ-50МД осуществляется кнопкой на лицевой панели, подобно кнопке тестирования УЗО, а также в автоматическом режиме один раз в сутки.
При каждом нажатии кнопки выполняется полный тест канала обнаружения дуги.
При этом не важно, для чего нажималась копка: для переключения режима работы, для изменения времени повторного пуска или просто для отключения цепи.
Технические характеристики
| Параметры защиты | |
|---|---|
| Минимальный обнаруживаемый ток искрения (дуги), не более, А | 5,0 |
| Уровень ограничения напряжения при токе помехи 100 А, не более, кВ | 1,2 |
| Максимальная энергия поглощения встроенным варистором (одиночный импульс 10 / 1000 мкс.), Дж | 200 |
| Максимальный ток поглощения в строенным варистором, одиночный импульс 8 / 20 мкс. / повторяющиеся импульсы 8 / 20 мкс., А | 8000 / 6000 |
| Время срабатывания импульсной защиты, нс. | <25 |
| Порог отключения нагрузки при повышении напряжения, Uверх, В | 270 |
| Верхний порог ускоренного отключения нагрузки при повышении напряжения выше верхнего критического порога, Uверх.кр., В | 300 ±15 |
| Порог отключения нагрузки при снижении напряжения, Uниз, В | 155 |
| Порог ускоренного отключения нагрузки при снижении напряжения ниже нижнего критического порога, Uниз.кр., В | 80 ±10 |
| Гистерезис возврата верхнего и нижнего порога от установленного значения, % | 3 |
| Питание | |
| Номинальное напряжение питания, В | 230 |
| Частота напряжения питания, Гц | 50 |
| Максимальное напряжение питания, В | 440 |
| Потребляемая мощность, не более, В*А | 1,5 |
| Потребление электроэнергии, не более, Вт*час | 1,5 |
| Коммутирующая способность контактов | |
| Номинальный ток нагрузки (при сечении подключаемых проводов не менее 16 кв.мм, медь), нагрузка АС1 (активная, резистивная), А | 63 |
| Номинальный ток нагрузки (при сечении подключаемых проводов не менее 16 кв.мм, медь), нагрузка АС3 (индуктивная, реактивная), А | 25 |
| Номинальная мощность нагрузки (AC 250 В), кВт | 14,5 |
| Максимальный ток нагрузки (активная - АС1, 30 мин.), А | 80 |
| Максимальная допустимая мощность нагрузки (АС 250 В - АС1, 30 мин.), кВт | 20 |
| Ток перегрузки / время воздействия без сваривания контактов, А/мс. | 2000 / 10 |
| Ток короткого замыкания без разрушения, А | 3000 |
| Технические данные | |
| Задержка включения / повторного включения, выбирается пользователем | 6 мин. / 10 с. |
| Задержка ускоренного отключения по верхнему критическому порогу, мс. | 20 |
| Задержка ускоренного отключения по нижнему критическому порогу, мс. | 100 |
| Задержка отключения при повышении напряжения выше верхнего порога, сек. | 0,2 |
| Задержка отключения при снижении напряжения ниже нижнего порога, сек. | 10 |
| Сечение подключаемых проводников, не менее, кв.мм | 0,5 - 25 (20 - 4 AWG) |
| Степень загрязнения в соответствии с ГОСТ 9920-89 | 2 |
| Диапазон рабочих температур, °С | -25... +55 |
| Степень защиты реле по корпусу / по клеммам | IP40 / IP20 |
| Климатическое исполнение и категория размещения | УХЛ4 |
| Помехоустойчивость от пачек импульсов в соответствии с ГОСТ Р 51317.4.4-99 (IEC/EN 61000-4-4) | уровень 3 (2 кВ / 5 кГц) |
| Помехоустойчивость от перенапряжения в соответствии с ГОСТ Р 51317.4.4-99 (IEC/EN 61000-4-4) | уровень 3 (2 кВ А1 - А2) |
| Относительная влажность воздуха, % | до 80 при +25 °C |
| Рабочее положение в пространстве | произвольное |
| Режим работы | круглосуточный |
| Вес изделия, не более, кг | 0,16 |
| Срок службы, не менее, лет | 10 |
Работа устройства
- Внимание! Устройство не заменяет другие аппараты защиты (автоматические выключатели, УЗИП, УЗО и пр.).
- Возможно применение в сетях любой конфигурации: TN-C, TN-S, TN-C-S, ТТ.
- После подачи напряжения питания устройство выдерживает время готовности 5 - 6 секунд, при этом индикация не работает.
Затем зеленый индикатор начинает мигать, указывая на отсчет выдержки времени включения (АПВ). - Если напряжение находится в допустимых пределах, нагрузка подключается к сети питающего напряжения, и загорается зеленый индикатор.
- Возможно ускоренное включение нагрузки вручную путем нажатия кнопки "вкл." на лицевой панели.
- После аварийного отключения включение реле происходит автоматически при восстановлении сетевого напряжения до нормального через 10 секунд.
- При появлении в сети дугового тока загорается красный светодиод и реле отключает нагрузку.
- При попытке ручного включения в аварийном режиме устройство не позволит включить питание на нагрузку.
- В рабочем режиме устройство контролирует напряжение питающей сети.
- При появлении в сети высоковольтных импульсов напряжения встроенный варистор шунтирует их до величины безопасной для оборудования.
Двухцветная индикация работает в различных режимах:
- Если напряжение приближается к верхнему порогу отключения (гистерезис 5В), начинает мерцать красный индикатор, и при выходе напряжения за допустимые пределы происходит отключение нагрузки от сети, при этом желтый индикатор выключается, а красный постоянно горит.
- При возврате напряжения в норму начинается отсчет выдержки времени повторного включения, при этом зеленый индикатор начинает мигать.
Если во время отсчета времени произойдет выход напряжения за допустимые пределы, время повторного включения сбрасывается.
После окончания отсчета времени нагрузка подключается к сети питающего напряжения.
- Если напряжение приближается к нижнему порогу отключения (гистерезис 5В), начинает мерцать зеленый индикатор, и при выходе напряжения за допустимые пределы начинается отсчет времени задержки отключения, при этом красный индикатор начинает мигать.
После окончания отсчета времени происходит отключение нагрузки от сети, при этом желтый индикатор выключается, а красный загорается каждые 2 секунды. - При возврате напряжения в норму начинается отсчет выдержки времени включения, при этом зеленый индикатор начинает мигать.
Если во время отсчета времени снова произойдет выход напряжения за допустимые пределы, отсчет времени сбрасывается.
После окончания отсчета времени нагрузка подключается к сети питающего напряжения.
- Если одновременно горят два красных индикатора, значит реле обнаружило "дугу", нагрузка отключена.
- Если принудительно отключили нагрузку от сети нажатием кнопки на лицевой панели, двухцветная индикация указывает на это поочередным включением красного и зеленого индикатора.
Повторное нажатие кнопки возвращает изделие в рабочий режим.
Внимание!
Если отключили нагрузку кнопкой, устройство остается в выключенном состоянии также после отключения и повторного включения напряжения питания.
Включить реле можно только повторным нажатием кнопки (удерживать 2 секунды).
Пользователь может самостоятельно изменить задержку времени включения (10 с. или 6 мин.), для этого:
- Вручную кнопкой выключить внутреннее реле.
- Затем нажать и удерживать кнопку (индикатор "норма - авария" погаснет) до тех пор, пока индикатор не начнет мигать.
- Если индикатор мигает зеленым цветом, то время t1 установлено 10 секунд, если красным - то время t1 установлено 6 минут.
- Отпустить кнопку. Нажать кнопку еще раз для перехода в рабочий режим и включения реле.
Внимание!
При срабатывании устройства разрывается только фазный провод.
Нулевой провод N проходит насквозь для удобства монтажа и не коммутируется.
Допускается подключение вывода N только с одной стороны, например, при подключении к трехфазной сети трех УЗМ можно объединить нулевые выводы с одной стороны.
Диаграмма работы реле

Схемы подключения
