

Описание и характеристики
Пускатель КМИ-34062 40А 220В/АС3 IP54 IEK в оболочке
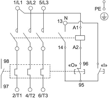
Контактор КМИ в сборе с электротепловым реле, в защитной оболочке, является комплектным устройством, состоящим из малогабаритного контактора КМИ, теплового реле РТИ, оболочки с сальниками и кнопок управления.
Предназначен для дистанционного пуска непосредственным подключением к сети и остановки трехфазных асинхронных электродвигателей с короткозамкнутым ротором на напряжение переменного тока до 400 В, а также для защиты электродвигателей от перегрузок недопустимой продолжительности и сверхтоков, возникающих при обрыве одной из фаз.

Преимущества
- Низкий уровень шума.
- Высокая электрическая износостойкость.
- Оболочка со степенью защиты от пыли и влаги IP54 позволяет использовать контактор на строительных площадках, в лакокрасочных, термических и гальванических цехах (при условии помещения аппаратуры под защитный навес).
- Заводская схема управления позволяет избежать ошибок при подключении на месте и сокращает время монтажа, которое ограничено только присоединением линейных питающих проводников.
Размеры

Материалы и цвета
| Цвет оболочки | Бежевый |
| Материал оболочки | металл |
Технические характеристики
| Артикул | KKM36-040-220-00 |
| Тип изделия | контактор / пускатель |
| Параметры главной цепи | |
|---|---|
| Номинальное рабочее напряжение переменного тока Ue, В | 400 |
| Номинальный рабочий ток Ie, категория применения АС-3 (Un ≤400 В), А | 40 |
| Количество и вид силовых контактов | 3 нормально разомкнутые |
| Условный тепловой ток Ith (t° ≤40 °C), категория применения АС-1, А | 60 |
| Номинальная мощность по АС-3, кВт | 11 (230 В) / 18,5 (400 В) |
| Номинальное напряжение изоляции Ui, В | 660 |
| Номинальное импульсное напряжение Uimp, кВ | 6 |
| Максимальная кратковременная нагрузка (t <1 с.), А | 720 |
| Условный ток короткого замыкания Inc, А | 3000 |
| Защита от сверхтоков - предохранитель gG, А | 50 |
| Мощность рассеяния при Ie, Вт | 2,4 (АС-3) / 5,4 (АС-1) |
| Механическая износостойкость (общий ресурс по износостойкости), млн. циклов | 10 |
| Механическая износостойкость, частота включений в час | 3600 |
| Коммутационная износостойкость (общий ресурс по износостойкости), млн. циклов | 1,0 |
| Коммутационная износостойкость, частота включений в час | 1200 |
| Температура окружающей среды при эксплуатации, °C | -25... +50 |
| Относительная влажность воздуха, % | 50* при +40 °C |
| Допустимая вибрационная нагрузка, Гц | до 100 (при ускорении 1 g) |
| Степень защиты от пыли и влаги | IP54 (ГОСТ 14254) |
| Климатическое исполнение и категория размещения | УХЛ4 (ГОСТ 15150) |
| Сечение подключаемых проводников, кв.мм | 6 - 16 (гибкий кабель без наконечника) 10 - 25 (жесткий кабель без наконечника) |
| Крутящий момент при затягивании, Н*м | 2,5 |
| Параметры цепи управления | |
| Номинальное напряжение катушки управления Uc, В | 230 |
| Диапазон напряжения управления Uc, В | 0,85 - 1,1 (срабатывание) / 0,2 - 0,75 (отпускание) |
| Мощность потребления катушки при Uc, В*А | 200 - срабатывание (cos φ=0,75) 20 - удержание (cos φ=0,3) |
| Время срабатывания, мс. | 20 - 26 (замыкание) / 8 - 12 (размыкание) |
| Мощность рассеяния, Вт | 10 |
| Электрическая износостойкость, млн. циклов | 1,5 (АС-3) / 1,3 (АС-1) |
| Механическая износостойкость, млн.циклов | 2 |
| Параметры вспомогательной цепи | |
| Номинальное напряжение Un, В | до 660 АС / до 440 DC |
| Номинальное напряжение изоляции Ui, В | 660 |
| Ток термической стойкости (t° ≤40 °C) Ith, А | 10 |
| Минимальная включающая способность | Umin 17 В / Imin 15 мА |
| Сопротивление изоляции, МОм | >10 |
| Параметры встроенного электротеплового реле главной цепи | |
| Типоисполнение реле | РТИ-3355 |
| Диапазон уставок реле, А | 30 - 40 |
| Номинальное напряжение изоляции, В | 660 |
| Номинальное импульсное напряжение, кВ | 6 |
| Диапазон рабочей частоты, Гц | 0 - 400 |
| Сечение присоединяемых проводников, кв.мм | 4 - 35 |
| Момент затяжки, Н*м | 9 |
| Параметры встроенного дополнительного контакта реле | |
| Тип дополнительного контакта | 1з |
| Ток термической стойкости, А | 5 |
| Максимальная мощность катушки контактора (380 В), В*А | 600 |
| Защита от сверхтоков - предохранитель gG, А | 5 |
| Сечение подключаемых проводников, кв.мм | 1 - 2,5 |
| Момент затяжки, Н*м | 1,2 |
* Допускается эксплуатация контакторов при относительной влажности воздуха до 90 % и температуре +20 °C.
Время-токовые характеристики срабатывания теплового реле

Схема электрическая
