


Описание и характеристики
Шина соединительная 3Р 100А РIN IEK YNS21-2-100 (шаг 18 мм), 1 м
Шины соединительные типа PIN (штырь) предназначены для сборки низковольтных комплектных устройств, соответствующих требованиям ГОСТ Р 51321.1 (МЭК 60439-1), на базе модульной аппаратуры.
Применяются для удобного и безопасного соединения групп ВА (выключатели автоматические), АД (автоматы дифференциальные), ВД (выключатели дифференциальные), ВН (выключатели нагрузки).
Шины с шагом 18 мм применяются для коммутации аппаратуры шириной, кратной одному модулю.
Шины, рассчитанные на номинальный ток 100 А, могут быть использованы с номинальным током 125 А, если вводной автомат подключать по центру.
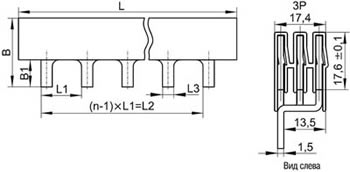
Размеры

| Размеры, мм | ||||||
|---|---|---|---|---|---|---|
| L | L1 | L2 | L3 | n, шт. | B | B1 |
| 1000 | 18 | 954 | 5 | 54 | 37,5 | 12 |
Материалы
- Шина выполнена из медных пластин и помещена в пластиковый изолирующий корпус, не поддерживающий горение.
Технические характеристики
| Тип подключения | PIN (штырь) |
| Максимальное количество подключаемых устройств | 54 |
| Размеры шага, мм | 18 |
| Общее количество полюсов | 3 |
| Номинальное напряжение, В | 230 / 400 |
| Номинальный продолжительный ток, А | 100 |
| Номинальное импульсное выдерживаемое напряжение Uimp, кВ | 4 |
| Номинальный кратковременно выдерживаемый ток Icw, кА | 15 |
| Номинальное напряжение изоляции, В | 600 |
| Температура эксплуатации, °С | -45... +40 |
| Степень загрязнения | 2 (ГОСТ Р 51321.1) |
| Вес изделия, г | 700 |
| Срок службы, не менее, лет | 15 |
Внимание!
- Рабочая контактная поверхность шины перед монтажом должна быть зачищена.
- При совместном подключении с шиной алюминиевых проводов (наконечников) к выводам аппаратуры на контактную часть провода (наконечника) должна быть нанесена защитная консистентная смазка.