









Описание и характеристики
Автоматический выключатель IEK M06N 1P C 32А Armat
Автоматический выключатель IEK Armat серии M06N с номинальной отключающей способностью 6 кА предназначен для коммутации электрических цепей с напряжением до 400 В переменного тока частоты 50 Гц.
Выключатель выполняет функции автоматического отключения электроустановки при появлении сверхтоков (перегрузки или короткого замыкания) и оперативного управления участками электрических цепей.
Применение
- Распределительные щиты (РЩ).
- Групповые щитки (квартирные и этажные).
- Отдельные потребители электроэнергии.
Преимущества
- Прочный корпус (8 заклепок для большого момента затяжки).
- Высокий коммутационный ресурс 10000 электрических циклов.
- Высокая скорость срабатывания.
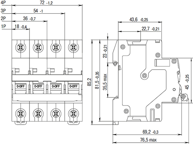
Размеры

Особенности конструкции
![]() |
Увеличенная напайка из серебра с повышенной износостойкостью к воздействию токов короткого замыкания обеспечивает низкое переходное сопротивление. | ![]() |
Механизм мгновенной коммутации повышает износостойкость при частых операциях. |
![]() |
Дугогасительная камера (14 пластин с увеличенной металлоемкостью) для быстрого и эффективного гашения электрической дуги. |
![]() |
Защита от неправильного подключения. |
![]() |
Индикатор положения контактной группы. Площадка для маркировки, с прозрачной защитной крышкой. |
![]() |
Возможность двухстороннего подключения шины типа Fork. |
Технические характеристики
| Артикул | AR-M06N-1-C032 |
| Тип изделия | выключатель автоматический |
| Количество полюсов | 1 |
| Количество защищенных полюсов | 1 |
| Ширина по количеству модульных расстояний | 1 |
| Тип расцепителя | тепловой, электромагнитный |
| Время срабатывания расцепителя, сек. | 0,1 |
| Сфера применения | бытовое |
| Характеристика срабатывания - кривая тока | С |
| Номинальное рабочее напряжениие, В | 230 / 400 |
| Частота тока, Гц | 50 |
| Тип напряжения | переменный (АС) |
| Номинальный ток, А | 32 |
| Номинальная наибольшая отключающая способность Icn, кА | 6 |
| Рабочая наибольшая отключающая способность Ics, кА | 6 |
| Номинальная предельная наибольшая отключающая способность Icu по ГОСТ 50030.2, кА | 10 |
| Класс токоограничения | 3 |
| Номинальное напряжение изоляции Ui, В | 500 |
| Номинальное импульсное выдерживаемое напряжение Uimp, кВ | 6 |
| Механическая износостойкость, циклов | 20000 |
| Электрическая износостойкость, циклов | 10000 |
| Наличие взрывозащиты | нет |
| Возможность присоединения шин | PIN (штырь), Fork (вилка) |
| Режим работы | продолжительный S1 |
| Рабочая температура окружающей среды, °С | -40... +70 |
| Относительная влажность воздуха при +20 °С, % | 90 |
| Степень защиты от пыли и влаги | IP20 |
| Класс защиты от поражения электрическим током по ГОСТ Р 12.1.019 | 0 |
| Группа механического исполнения (ГОСТ 30631) | М4 |
| Способ крепления | на DIN-рейку 35 х 7,5 |
| Рабочее положение | любое |
| Подвод питания | с любой стороны |
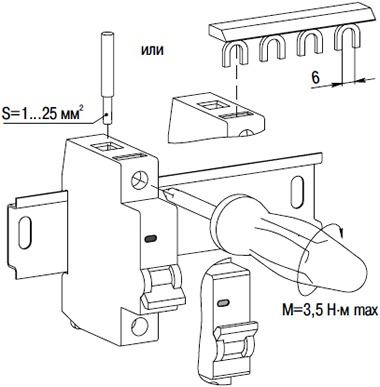
| Тип подключения | винтовое соединение |
| Максимальное сечение входящего кабеля, кв.мм | 25 |
| Момент затяжки винтов контактных зажимов, Н*м | 2,5 ±0,5 (рекомендуемый) / 3,5 (максимальный) |
| Вес одного полюса, г | 116 |
| Срок службы, лет | 15 |
Времятоковые характеристики
|
Монтаж
|
Подключение
|
Схема электрическая принципиальная
|
Расшифровка условных обозначений
Пример: AR-M 06 N-1-C 0D5 DC
- AR - наименование линейки (коллекции) Armat.
- М - тип устройства: М - автоматический выключатель.
- 06 - отключающая способность: 06 - 6 кА, 10 - 10 кА.
- N - типоразмер: N - 18 мм/1 полюс, H - 27 мм/1 полюс, S - 18 мм/2 полюса.
- 1 - описание полюсов (1, 2, 3, 4, 1N, 3N).
- С - характеристики срабатывания (B, C, D).
- 0D5 - номинальный ток (D - десятичный разделитель 0,5; 001 - 1 А).
- DC - вид тока: DC - постоянный ток; если не указано - АС.









