



Описание и характеристики
Шина соединительная IEK YNS51-3-100 (PIN, 3Р, 100 А, шаг 27 мм), длина 1 м
Шина соединительная типа PIN с шагом 27 мм предназначена для коммутации аппаратуры шириной, кратной полутора модулям.
Применяется для удобного и безопасного соединения групп ВА (выключатели автоматические), АД (автоматы дифференциальные), ВД (выключатели дифференциальные), ВН (выключатели нагрузки).
Шина рассчитана на номинальный ток 100 А.
Может быть использована с номинальным током 125 А, если вводной автомат подключать по центру.
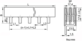
Размеры

| Размеры, мм | ||||||
|---|---|---|---|---|---|---|
| L | L1 | L2 | L3 | n, шт. | B | B1 |
| 1000 | 27 | 945 | 7,5 | 36 | 46,2 | 12 |
Материалы
Шина выполнена из медных пластин и помещена в пластиковый изолирующий корпус, не поддерживающий горение.
Технические характеристики
| Номинальный продолжительный ток Iu, А | 100 (125*) |
| Номинальное импульсное напряжение, кВ | 4 |
| Номинальный кратковременно выдерживаемый ток Icw, кА | 17 |
| Общее количество полюсов | 3 |
| Номинальное напряжение, В | 230 / 400 |
| Номинальное напряжение изоляции Ui, В | 600 |
| Тип подключения | штырь |
| Размер шага | 27 |
| Максимальное количество подключаемых устройств | 36 |
| Температура эксплуатации, °C | -45... +40 |
| Срок службы, не менее, лет | 15 |
| Вес изделия, кг | 0,7 |
* Возможно использование шины на токи 125 А в случае подключения вводного устройства по центру.