zakaz@k-kirov.ru

Изолятор ТФ-20

цена
89,70 ₽/шт
наличие
Под заказ
шт
Подобрать аналогСвязанные товары

Описание и характеристики

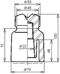
Изолятор штыревый низковольтный фарфоровый ТФ-20

Изоляторы штыревые низковольтные фарфоровые ТФ-20 предназначены для изоляции и крепления проводов на воздушных линиях электропередач (ЛЭП), в распределительных устройствах (РУ) электростанций и подстанций переменного тока напряжением до 1000 В, линий связи и радиотрансляционных сетей.

Размеры

Технические характеристики

Номинальное напряжение, кВ до 10
Минимальная разрушающая сила, кН 8
Диаметр штыря крепления изолятора, мм 18

Связанные товары

Аналоги