










Описание и характеристики
Реле контроля фаз многофункциональное RКF-11m EKF PROxima
Многофункциональное реле контроля фаз EKF RКF-11m серии PROxima является микропроцессорным устройством.
Применяется в системах автоматизации.
Предназначено для контроля качества напряжения сети в электроустановках до 1000 В переменного тока трехфазной сети.
Реле имеет информативную светодиодную индикацию и регулировочные винты установки необходимых параметров, расположенные на лицевой панели.
Соответствует ГОСТ 30804.4.4-2013.

Размеры

Функциональные возможности
Реле контролирует следующие параметры:
- отсутствие фаз без выдержки времени;
- падение напряжения с выдержкой времени срабатывания;
- повышение напряжения с выдержкой времени срабатывания;
- асимметрия напряжения с выдержкой времени срабатывания;
- чередование фаз без выдержки времени.
Панель управления

Принцип действия
- Если питание в пределах нормы, то контакт исполнительного реле (11 - 14) замкнут, и на катушку контактора или другого исполнительного устройства подается напряжение, управляющее его включением.
- В случае аварийных ситуаций контакт реле размыкается и контактор отключается.
Выключение происходит с установленной временной задержкой (0,1 - 10 секунд), предназначенной для предотвращения случайного отключения нагрузки при кратковременных изменениях напряжения питания.
Включение происходит автоматически после восстановления напряжения питания в пределы нормы.
Принцип работы реле
|
Принцип работы реле
|
Технические характеристики
| Тип изделия | реле контроля фаз |
| Напряжение питания Ue, В | 400 |
| Номинальная частота, Гц | 50 - 60 |
| Диапазон повышенного напряжения, В | 380 - 480 |
| Диапазон пониженного напряжения, В | 280 - 380 |
| Фиксированный гистерезис, В | 6 |
| Диапазон задержки времени срабатывания при повышенном напряжении, сек. | 0,1 - 10 |
| Диапазон задержки времени срабатывания при пониженном напряжении, сек. | 0,2 - 10 |
| Задержка срабатывания при обрыве фазы и неправильном чередовании фаз, сек. | ?0,2 |
| Погрешность измерения напряжения | <1 % (во всем диапазоне) |
| Погрешность задержки срабатывания | ±10 % |
| Номинальное напряжение изоляции, В | 500 |
| Контакты | 1СО |
| Номинальный ток контакта (АС-1), А | 8 |
| Номинальный ток нагрузки (АС-1) при 250 В, А | 8 |
| Максимальная потребляемая мощность, ВА | 2 |
| Рабочая температура, °C | -5... +40 |
| Степень защиты от пыли и влаги | IP20 |
| Степень загрязнения | 3 |
| Механическая износостойкость, не менее, циклов | 1000000 |
| Коммутационная износостойкость, не менее, циклов | 100000 |
| Максимальное сечение подключаемого провода, кв.мм | 1,5 (винтовые клеммы) |
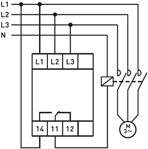
Схема подключения


