Описание и характеристики
Счетчик электрической энергии однофазный "Меркурий" 201.7 (1 тариф, 5 - 60 А, 230 В) на DIN-рейку
Счетчик "Меркурий" 201.7 предназначен для учета активной электрической энергии переменного тока 230 В частотой 50 Гц в двухпроводных сетях.
Счетчик обеспечивает регистрацию и хранение значений потребляемой электроэнергии по одному тарифу с момента ввода счетчика в эксплуатацию.
Может эксплуатироваться как самостоятельно, так и в составе автоматизированных систем контроля и учета электроэнергии.
![]() |
![]() |
![]() |
![]() |
![]() |
Преимущества
- Отсутствие магниточувствительных элементов в измерительных цепях и системе питания.
- Учет электроэнергии "по модулю", увеличение показаний при любой фазировке подключенных цепей.
- Минимальные габариты в своем классе.
Размеры

Особенности конструкции
- Измерение электроэнергии цифровым методом.
- Оптический импульсный испытательный выход.
- Устройство отсчетное электромеханическое.
Количество барабанов - шесть, из них первые 5 индицируют целое значение электроэнергии в кВт*ч, а шестой индицирует значение электроэнергии в десятых (сотых) долях кВт*ч. - Отсчетное устройство оснащено антиреверсным механизмом и защитой от магнитных полей.
- Неразъемная конструкция, разрушаемая при попытке вскрытия.
- Крепление на DIN-рейку.
Технические характеристики
| Класс точности | 1 |
| Номинальное напряжение, В | 230 |
| Базовый (максимальный) ток, А | 5 (60) |
| Частота сети, Гц | 50 |
| Установленный рабочий диапазон напряжения, В | 0,9 - 1,1 Uном |
| Расширенный рабочий диапазон напряжения, В | 0,8 - 1,15 Uном |
| Предельный рабочий диапазон напряжения, В | 0,0 - 1,15 Uном |
| Стартовый ток (чувствительность) при измерениии активной энергии, мА | 10 |
| Максимальный ток в течение 10 мс. | 30*Iмакс. |
| Чувствительность при измерении активной энергии, А | 0,01 |
| Активная (полная) мощность, потребляемая цепью напряжения счетчика при номинальном напряжении, Вт (В*А) | 2 (10) |
| Отсчетное устройство | электромеханическое |
| Передаточное число имп./кВт*час | 3200 (без импульсного выхода) |
| Интерфейс силовой сети (PLC) | --- |
| Полная мощность, потребляемая цепью тока, не более, В*А | 0,1 |
| Диапазон рабочих температур, °С | -45... +70 |
| Средняя наработка на отказ | 220000 |
| Межповерочный интервал, лет | 16 |
| Срок службы, лет | 30 |
| Вес изделия, не блолее, кг | 0,34 |
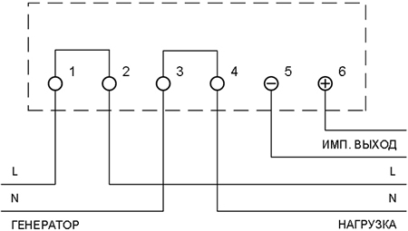
Схема подключения

Примечание.
В счетчиках модификаций 201.7 - 201.9 электрический импульсный выход (контакты 5 и 6) отсутствует.




