





Описание и характеристики
Терморегулятор электронный IEK ТС10-1-БрЧ Brite (16 А, IP20) скрытой установки, с подсветкой, черный
Терморегулятор электронный IEK серии электроустановочных изделий Brite предназначен для скрытой установки внутри помещений.
Применяется для управления электрическими системами обогрева помещений.
Терморегулятор поддерживает комфортную температуру обогреваемой поверхности.
Позволяет управлять обогревом пола по выносному датчику (датчик в комплекте).
Монтируется в стену в непосредственной близости от установочных проводов нагревательного кабеля.
Температура регулируется вращением клавиши.
Светодиодный экран на клавише отображает температуру.

Для изготовления электроустановочных изделий Brite IEK использованы материалы премиум-класса.
Цветовая палитра и широкий ассортимент позволяют решить все задачи при строительстве и ремонте жилой и коммерческой недвижимости, выполнить современные интерьеры в едином стиле.
В линейке Brite 10 цветовых решений, 3 уникальные фактуры.
Преимущества
- Гармоничный дизайн.
- Широкий ассортимент.
- Универсальность и взаимозаменяемость.
- Высококачественные материалы.
- Механизмы изделий из негорючего пластика.
- Луженые токопроводящие контактные группы Al/Cu.
- Интуитивно понятная схема подключения.
- Надежность в эксплуатации.
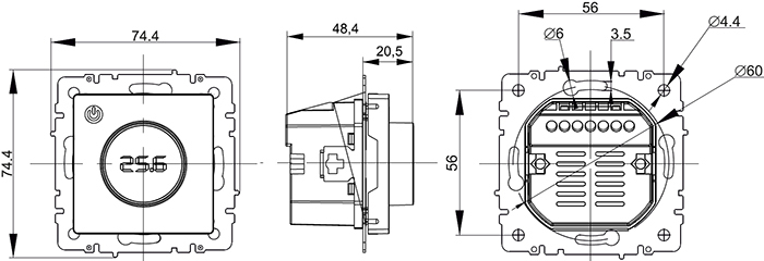
Размеры

Материалы и цвета
| Цвет лицевой панели | Черный |
| Тип поверхности лицевой панели | матовый |
| Материал лицевой панели | поликарбонат |
| Материал суппорта | металл с антикоррозийным покрытием |
| Материал механизма | поликарбонат |
| Покрытие контактов | лужение |
Особенности конструкции

Технические характеристики
| Артикул | BR-RT11-K02 |
| Тип изделия | терморегулятор электронный |
| Исполнение | механизм с суппортом и лицевой панелью, без рамки |
| Управление | клавиша на лицевой панели |
| Диапазон рабочего напряжения, В | АС 160 - 230 |
| Номинальное напряжение, В | АС 230 |
| Частота тока, Гц | 50 |
| Номинальный ток, А | 16 |
| Мощность, Вт | 3,5 |
| Пределы регулирования температуры, °C | +5... +45 (±5%) |
| Тип датчика температуры | выносной NTC 10 kOhm |
| Световая индикация | SMD светодиод |
| Диапазон рабочих температур, °C | -25... +40 |
| Относительная влажность воздуха, % | 90 при +25 °C |
| Степень защиты от пыли и влаги | IP20 |
| Тип монтажа | скрытая установка |
| Способ крепления | в распор (лапками) / винтами |
| Способ подключения | винтовые зажимы |
| Материал подключаемых проводников | Cu, Al |
| Сечение присоединяемых проводников, кв.мм | 1,0 - 2,5 |
| Длина кабеля датчика температуры, м | 2,4 |
| Срок службы, лет | 10 |
Монтаж и подключение
Монтаж датчика температуры
- Датчик температуры размещается в гофрированную пластиковую трубку.
- Торец трубки закрывается герметичной заглушкой, предотвращающей попадание внутрь раствора для крепления плитки или цементного раствора при устройстве теплого пола.
- Гофрированная трубка с датчиком внутри располагается на уровне нагревательного кабеля, между его витками, на равном удалении от них.
- Другой конец трубки с установочным проводом датчика температуры внутри укладывается в подготовленную в полу канавку (штробу) и подводится к месту установки терморегулятора или распределительной коробки.
- Излишки трубки и установочного провода обрезаются по месту.
- Монтаж датчика температуры пола производится на этапе установки нагревательного мата, секции или пленки.
Терморегулятор устанавливается в конце монтажа теплого пола.

Монтаж терморегулятора
- Присоедините подготовленные к монтажу электрические провода к винтовым зажимам.
- К клеммам RT+ и RT- (полярность при этом не имеет значения) подключается датчик температуры.
- К клемме L подключается фазовый провод питания L, к клемме N подключается провод нейтрали N.
- К клеммам L1 и N1 подключается вывод нагревательного элемента (секция, мат).
- Установите механизм в монтажную коробку, закрепите с помощью саморезов.
При необходимости установите декоративную рамку (рамка приобретается отдельно).
Схема подключения

Работа терморегулятора
- Включение / выключениие терморегулятора осуществляется с помощью нажатия сенсорной клавиши на корпусе в течение 5 секунд.
- Температура нагрева регулируется с помощью вращения клавиши. На экране отображается температура нагрева.
- Контурная подсветка красного цвета означает, что идет процесс нагрева.
Контурная подсветка синего цвета означает, что достигнута заданная температура нагрева.