Описание и характеристики
Ограничитель импульсных напряжений ОИН1-275-12,5-II "Энергомера" (1Р, 5 кА / 12,5 кА, 220 В)
Ограничитель импульсных напряжений ОИН1 предназначен для защиты электрооборудования и бытовых приборов от грозовых и импульсных перенапряжений.
Может быть применен в качестве встраиваемого комплектующего изделия в низковольтных комплектных устройствах напряжением 380 / 220 В, частотой 50 Гц (во вводных устройствах, в распределительных щитах и пунктах, в групповых квартирных и этажных щитках).
Отвечает требованиям ТР ТС 004/2011 "О безопасности низковольтного оборудования, других стандартов и ПУЭ", требованиям к защите от перенапряжений по ГОСТ Р 50571.19.
![]() |
![]() |
![]() |
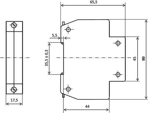
Размеры

Функциональные возможности
- Ограничитель импульсных напряжений обеспечивает максимальное длительное рабочее напряжение 275 В частотой 50 Гц.
Рабочий потребляемый ток при напряжении 275 В не превышает 0,7 мА. - Выдерживает воздействие импульсов комбинированной волны с напряжением разомкнутой цепи 10,0 кВ и с током короткозамкнутой цепи 5 кА.
- Обеспечивает защиту оборудования от импульсного перенапряжения категории II по ГОСТ Р 50571.19-2000 (уровень напряжения защиты 2,0 кВ).
- Выдерживает без повреждений воздействие временного перенапряжения 380 В.
- По числу вводов - одновводный с двумя выводами.
- Без тепловой защиты.
- Без индикатора рабочего состояния.
Технические характеристики
| Тип изделия | ограничитель импульсных напряжений |
| Конструктивное исполнение | моноблок с варистором, без индикатора рабочего состояния |
| Количество модулей (шаг 18 мм) | 1 |
| Номинальное напряжение питающей сети, В | 220 |
| Номинальный разрядный ток, кА | 5 |
| Максимальный разрядный ток, кА | 12,5 |
| Максимальное длительное рабочее напряжение Uc, В | 275 |
| Значение временного перенапряжения UT, В | 380 |
| Остаточное напряжение при номинальном токе, не выше, В | 2000 |
| Наличие тепловой защиты | нет |
| Класс испытаний по ГОСТ Р 51992 | II |
| Температура окружающего воздуха, °C | -45... +55 |
| Степень защиты оболочки от пыли и влаги | IP20 |
| Способ крепления | на DIN рейку 35 / 7 мм |
| Сечение присоединяемых проводников, кв.мм | 4 - 16 |
| Вес изделия, кг | 0,12 |
Подключение
Вариант присоединения ограничителя с помощью соединительных проводников V-образной формы:

Вариант присоединения ограничителя к разъединителю и к цепи питания:



