график работы: с 08:00 до 17:00
zakaz@k-kirov.ru
Товары
Спецификации
Заказы
Документы
КП
Корзина
Кировская область
Войти
Каталог
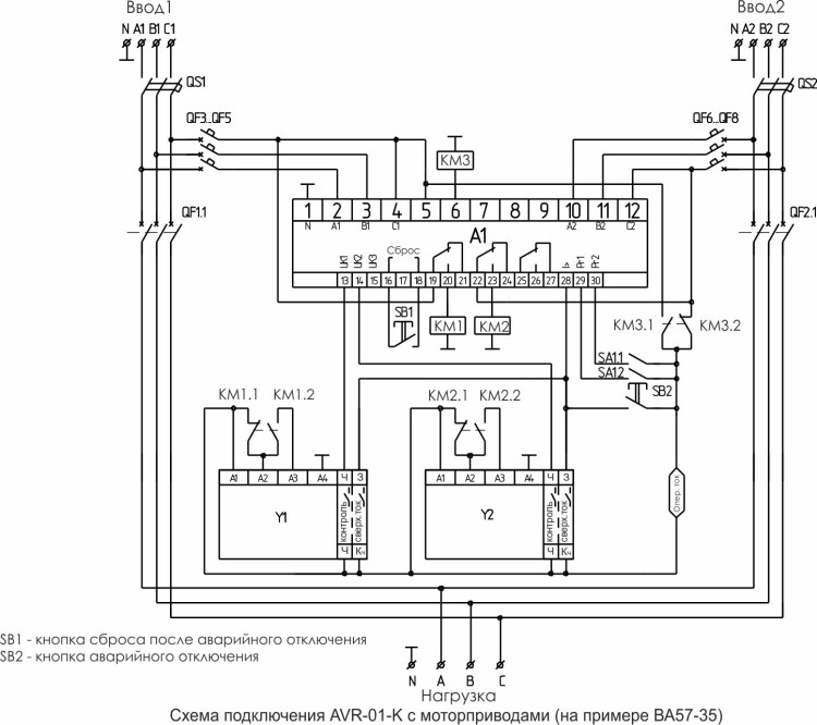
Блок ввода резервного питания AVR-01-K
Главное
Подробное описание
Связанные товары
Аналоги
Низковольтное оборудование, счетчики, молниезащита, разъемы, клеммники
Системы автоматизации
Реле
Реле контроля питания
Артикул:
086837
Код производителя:
EA04.006.001
Бренд:
Евроавтоматика
цена
8 895,25 ₽/шт
наличие
Под заказ
шт
в корзину
добавить в…
Добавить в избранное
Поделиться
Подобрать аналог
Связанные товары
Описание и характеристики
Устройство управления резервным питанием предназначено для построения схем АВР с двумя вводами питания, одной нагрузкой.Монтаж на DIN-рейке 35мм, 3х400/230В+N 16А 4NO/NC IP20 Евроавтоматика ФиФ
Связанные товары
Аналоги