

Описание и характеристики
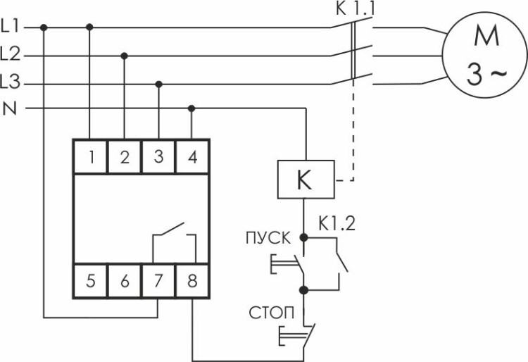
Реле контроля и наличия, чередования фаз предназначено для защиты электродвигателей и электроустановок, питаемых от трехфазной сети в случаях: отсутствия хотя бы одной из фаз, асимметрии напряжения, обрыва нулевого провода, чередования фаз. 2 модуля, монтаж на DIN-рейке 3х400/230+N 8А 1NO IP20 Евроавтоматика ФиФ