Описание и характеристики
Пускатель электромагнитный ПМА-3100 (220 В, 2з + 2р)
Пускатели электромагнитные серии ПМА предназначены для применения в стационарных установках для дистанционного пуска непосредственным подключением к сети, остановки и реверсирования трехфазных асинхронных электродвигателей с короткозамкнутым ротором переменного тока частоты 50 и 60 Гц.
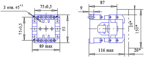
Габаритные и установочные размеры

Технические характеристики
| Серия | ПМА |
| Исполнение | нереверсивные без оболочки |
| Наличие теплового реле | нет |
| Количество силовых полюсов | 3 |
| Номинальное напряжение, В | 660 |
| Номинальный ток, А | 40 |
| Напряжение катушки управления, В | 220 |
| Вспомогательные контакты | 2з + 2р |
| Способ монтажа | монтажная плата |
| Климатическое исполнение и категория размещения | УХЛ4 |
| Рабочее положение | крепление на вертикальной плоскости выводами вверх и вниз с помощью винтов |
| Степень защиты от пыли и влаги | IP00 |