



Описание и характеристики
Корпус ЩУ-3/1-0 74 У1 IP54 IEK
Корпуса щитов ввода и учета электроэнергии ЩУ предназначены для сборки вводно-учетных электрощитов, с применением модульной аппаратуры, для ввода и учета электроэнергии в жилых и производственных помещениях.
Преимущества
- Повышенная антикоррозийная стойкость.
- Высококачественное наружное покрытие.
- Малогабаритная конструкция.
- Высокая технологичность и простота сборки.
- Удобство монтажа.
- Высокий уровень электробезопасности.
- Сертификат соответствия.
- Установка под открытым небом.
Габаритные размеры
![]() |
1 - корпус щита. 3 - замок. 5 - панель монтажная. 7 - DIN-рейка. |
Материалы и цвета
| Цвет корпуса | Серый (RAL 7035) |
| Материал корпуса | листовая сталь |
| Тип покрытия | порошковое, шагрень |
| Материал уплотнителя | вспененный полиуретан |
Особенности конструкции
![]() |
Позволяют раздельно разместить аппарат защиты (ВА47-29) и аппарат отключения электроэнергии (ВН-32), а также ограничитель импульсных перенапряжений (ОПС1). | ![]() |
Предусмотрена возможность пломбировки оперативной панели в закрытом состоянии. |
![]() |
Оперативная панель закрывает электросчетчик и электроаппараты. Панель крепится к корпусу при помощи петель и запирается индивидуальным замком. |
![]() |
Дополнительный козырек корпуса предотвращает проникновение грязи и воды при открытии двери. |
![]() |
Оперативная панель имеет окно для снятия показаний электросчетчика и прорезь для доступа к аппарату защиты. | ![]() |
Уплотнение из вспененного полиуретана. |
Технические характеристики
| Артикул | MKM51-N-03-54 |
| Вид установки | навесной |
| Толщина металла, мм | 1,0 |
| Способ крепления | к стене, к стоблу |
| Тип применяемых аппаратов | модульные |
| Тип счетчика | трехфазный |
| Максимальное количество модулей | 3 |
| Номинальный ток, А | 50 |
| Угол открытия двери, градусов | 120 |
| Количество вводов | 3 отверстия d 31 мм (снизу) |
| Степень защиты от пыли и влаги | IP54 |
| Климатическое исполнение и категория размещения | У1 |
| Вес изделия, кг | 5,0 |
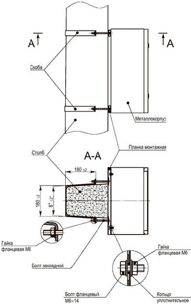
Схемы крепления
| Крепление корпуса к столбу скобой | Крепление корпуса к столбу монтажной полосой |
|---|---|
![]() |
![]() |
Комплектация
![]() |
![]() |
| Знаки электробезопасности | Сальники |










