Описание и характеристики
Терморегулятор воздуха Ballu BMT-2 (16 А, +5… +30 °С) открытой установки, белый
Термостат Ballu BMT-2 предназначен для поддержания заданной температуры в помещении, применяется совместно с климатической техникой (обогревателями, вентиляторами, охлаждающими приборами).
Рекомендуется для использования с инфракрасными обогревателями.
При понижении или повышении измеряемой температуры относительно заданного значения термостат замыкает или размыкает однополюсный перекидной контакт (алгоритм работы выбирается при подключении).
Термостат оснащен выключателем и индикатором работы (лампа ~220 -240 В).
Преимущества
- Универсальная модель для любых однофазных инфракрасных обогревателей.
- Широкий диапазон регулировки.
- Набор крепежных элементов в комплекте.
Размеры и вес
| Высота, мм | 83 |
| Ширина, мм | 83 |
| Глубина, мм | 38 |
| Вес изделия, кг | 0,15 |
Функциональные возможности
- Поддержание заданной температуры в помещении.
- Регулировка температуры.
- Режим антизамерзания.
- Индикация работы.
- При токе в 10 А - повышенная точность срабатывания и возможность использования бокового выключателя.
Технические характеристики
| Тип изделия | терморегулятор |
| Управление | механическое |
| Цвет корпуса | Белый |
| Напряжение питания, В | 220 - 240 |
| Частота тока, Гц | 50 - 60 |
| Максимальный рабочий ток, А | 10 (16*) |
| Диапазон регулировки температуры, °C | +5... +30 |
| Ресурс, не менее, циклов | 10000 |
| Диапазон рабочей температуры, °C | -20... +55 |
| Степень защиты от пыли и влаги | IP40 |
| Тип монтажа | открытая установка |
| Класс защиты от поражения электрическим током | I |
| Наличие крепежных элементов в комплекте | есть |
| Индикация включения | есть |
| Срок службы, лет | 5 |
* Терморегулятор может работать с током до 16 A (~ 3 кВт), без подключения встроенного бокового выключателя.
Монтаж
- Термостат предназначен для настенного монтажа.
- Оптимальна установка на высоте около 1,5 м, в зоне помещения со средней температурой.
- Не рекомендуется установка на сквозняке, в местах воздуха, рядом с дверьми, окнами и источниками тепла.
- Монтаж производится при отсутствии напряжения.
- Открутите винт в верхней части корпуса термостата и снимите крышку.
- Закрепите термостат на стене с помощью двух шурупов через отверстия в основании.
- Подключите кабели к клеммам в соответствии с электрической схемой, затем наденьте крышку термостата и зафиксируйте ее винтом.
- При скрытой проводке кабели продеваются через отверстия сзади корпуса.
- Также предусмотрен вариант подведения кабеля накладным монтажом.
Для этого в верхней части крышки термостата есть места с уменьшенной толщиной корпуса, которые необходимо выломать с помощью плоскогубцев.
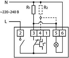
Электрическая схема подключения

R1 - обогреватель.
R2 - охлаждающий прибор.