





Описание и характеристики
Изолятор силовой SM25 (М6) IEK с болтом
Изоляторы шинные опорные типа SM применяются для крепления токоведущих шин внутри силовых шкафов и сборок с целью фиксации и изоляции токоведущих частей от корпуса и панелей сборки, с последующим подключением силовых проводников для распределения электроэнергии внутри щита.

Изолятор крепится с одной стороны с помощью болта к монтажной пластине или корпусу, с другой стороны к изолятору крепится токоведущая шина.
Каждая шина устанавливается минимум на двух изоляторах (на концах шины), а также возможна установка промежуточных изоляторов (в зависимости от схемы монтажа и длины шины).

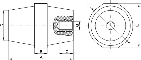
Размеры

| Размеры, мм | Метрический размер резьбы | |||||
|---|---|---|---|---|---|---|
| A | B | C | D | E | F | G |
| 25 | 9 | 9 | 25 | 30 | 30 | М6 |
Материалы и цвета
| Цвет изолятора | Красный |
| Материал корпуса | полиамид*, усиленный стекловолокном |
* Материал отличается стойкостью к механическому воздействию, негорючий, обладает высокими показателями электрического сопротивления.
Технические характеристики
| Артикул | YIS11-25-06-B |
| Тип изделия | изолятор шины для внутрищитового монтажа |
| Количество полюсов | 1 |
| Номинальное набочее напряжение, не более, В | 1000 |
| Максимальный номинальный ток, А | 275 |
| Выдерживаемое напряжение грозового импульса, не более, кВ | 6 |
| Механическая разрушающая сила на изгиб*, не более, кН | 6 |
| Механический разрушающий крутящий момент*, не более, кН*м | 0,2 |
| Группа механического исполнения | М3 (ГОСТ 17516) |
| Температура окружающей среды, °C | -40... +60 |
| Относительная влажность воздуха при + 15 °C, % | 75 |
| Количество болтов в комплекте | 2 |
| Расстояние между шинами, мм | 50 - 125 |
| Вес изделия, г | 30 |
* Механические разрушающие силы - нормированное значение изгибающей и крутящей силы, которую изолятор должен выдерживать без механических повреждений и разрушений.