Описание и характеристики
Устройство защиты многофункциональное "Меандр" УЗМ-50Ц (1 фаза, 63 А, 2 модуля)
Устройство защиты многофункциональное УЗМ-50Ц (далее устройство) предназначено для использования в квартире, доме, офисе и т.д. с целью защиты однофазных потребителей от работы на повышенном или пониженном сетевом напряжении, защиты однофазных потребителей от разрушающего воздействия импульсных скачков напряжения, вызванных срабатыванием близко расположенных и подключенных к этой же сети электродвигателей, магнитных пускателей или электромагнитов, а также защиты сети от длительной перегрузки по потребляемой мощности.
Может применяться в сетях любой конфигурации: TN-C, TN-S, TN-C-S, ТТ.
Устройство не заменяет другие аппараты защиты (автоматические выключатели, УЗИП, УЗО и пр.).
Также предназначено для уменьшения пусковых токов при включении емкостных нагрузок.
Снижение пускового тока осуществляется за счет замыкания контактов реле при нулевом сетевом напряжении (переходе сетевого напряжения через ноль).
Размеры

Функциональные возможности
- Номинальный ток коммутации: 63 А (максимальный ток коммутации 80А в течение 30 минут).
- Регулируемые пороги защиты от перенапряжения и снижения напряжения: >240... 290 В, <100... 190 В.
- Фиксированный порог защиты от перенапряжения: >300 В / 20 мс.
- Фиксированный порог защиты от снижения напряжения: <85 В / 100 мс.
- Ограничение потребляемой мощности: >0,5... 14,5 кВт.
- Сохраняет работоспособность в диапазоне напряжений от 30 до 440 В.
- Энергонезависимая память событий (число срабатываний, минимальное и максимальное значение напряжения, мощности и тока).
- Измерение параметров сети: напряжение, ток (диапазон измерения тока от 0,6 до 65 А), мощность.
- Защита настроек PIN кодом (верхний и нижний порог напряжения, времени АПВ, мощности).
- Подключение нагрузки при переходе сетевого напряжения через ноль.
Особенности конструкции
- Устройство представляет собой реле контроля напряжения с мощным встроенным реле на выходе, дополненное варисторной защитой.
Ширина корпуса 35 мм.
Устанавливается на монтажную DIN-рейку шириной 35 мм (ГОСТ Р МЭК 60715-2003) с передним подключением проводов питания коммутируемых электрических цепей.
- Клеммы туннельной конструкции обеспечивают надежный зажим проводов суммарным сечением до 25 кв.мм.
- На лицевой панели расположены кнопки управления "+" и "-", двухцветный зеленый / красный светодиод "норма / авария", желтый светодиод "реле", трехразрядный семисегментный индикатор для отображения информации.
Технические характеристики
| Артикул | 4680019911854 |
| Тип изделия | устройство защиты многофункциональное |
| Модульная ширина (шаг 18 мм) | 2 |
| Номинальное напряжение питания, В | 230 |
| Частота напряжения питания, Гц | 50 |
| Диапазон измерения напряжения, В | 80... 440 |
| Относительная погрешность измерений напряжения, % | 1 ±1 единица младшего разряда |
| Диапазон измерения мощности, кВт | 0,18... 20 |
| Регулируемый порог отключения нагрузки по превышению напряжения, В | 240... 295 |
| Фиксированный порог отключения нагрузки по превышению напряжения, В | 300 |
| Регулируемый порог отключения нагрузки по снижению напряжения, В | 100... 190 |
| Фиксированный порог отключения нагрузки по снижению напряжения, В | 85 |
| Гистерезис возврата верхнего и нижнего порога от установленного значения, % | 3 |
| Регулируемый порог отключения нагрузки по превышению потребляемой мощности, кВт | 0,5... 14,5 |
| Задержка включения (повторного включения АПВ) "tоn", сек. | 2... 999 |
| Задержка ускоренного отключения по верхнему фиксированному порогу, сек. | 0,02 |
| Задержка ускоренного отключения по нижнему фиксированному порогу, сек. | 0,1 |
| Задержка отключения по верхнему регулируемому порогу, сек. | 0,1 |
| Задержка отключения по нижнему регулируемому порогу, сек. | 10 |
| Задержка отключения по превышению потребляемой мощности "t P", сек. | 10... 999 |
| Потребляемая мощность, не более, ВА | 2,2 |
| Номинальный ток нагрузки (при сечении подключаемых проводов не менее 16 кв.мм, медь), нагрузка АС1 (активная, резистивная), А | 63 |
| Номинальный ток нагрузки (при сечении подключаемых проводов не менее 16 кв.мм, медь), нагрузка АС3 (индуктивная, реактивная), А | 25 |
| Максимальная мощность нагрузки (AC1 250В), кВт | 15,7 |
| Ток перегрузки/время воздействия без сваривания контактов, А/мс. | 2000 / 10 |
| Ток короткого замыкания без разрушения, А | 3000 |
| Сечение подключаемых проводников, не менее, кв.мм | 0,5-33 (20-2AWG) |
| Диапазон рабочих температур, °C | -25... +55 |
| Степень защиты от пыли и влаги по корпусу / по клеммам по ГОСТ 14254-96 | IP40 / IP20 |
| Климатическое исполнение и категория размещения по ГОСТ 15150-69 (без образования конденсата) | УХЛ4 |
| Помехоустойчивость от пачек импульсов в соответствии с ГОСТ Р 51317.4.4-99 (IEC/EN 61000-4-4) | уровень 3 (2 кВ / 5 кГц) |
| Помехоустойчивость от перенапряжения в соответствии с ГОСТ Р 51317.4.5-99 (IEC/EN 61000-4-5) | уровень 3 (2 кВ А1-А2) |
| Рабочее положение в пространстве | произвольное |
| Режим работы | круглосуточный |
| Максимальная механическая износостойкость | 1 х 106 |
| Максимальная электрическая износостойкость | 1 х 105 |
| Виброустойчивость, g | 4 |
| Ударопрочность, g | 6 |
| Срок службы, не менее, лет | 10 |
| Вес изделия, кг | 0,17 |
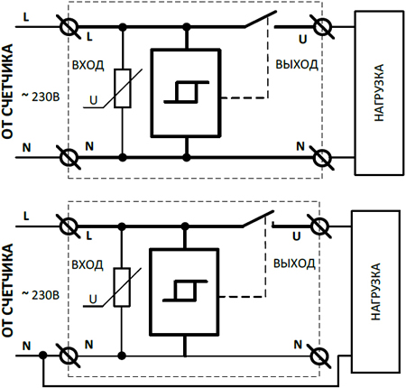
Схема подключения
