Описание и характеристики
Трансформатор тока ТТИ-А IEK ITT10-2-05-0250 (250 / 5 А, 5 В*А, класс точности 0,5)
Трансформаторы тока ТТИ IEK предназначены для контроля и передачи сигнала измерительной информации приборам измерения, защиты, автоматики, сигнализации и управления в сетях переменного тока на номинальное напряжение 0,66 кВ частотой 50 Гц.
Трансформаторы тока ТТИ класса точности 0,5 применяются для измерения в схемах учета для расчета с потребителями, а также в схемах защиты, сигнализации и управления.
Соответствуют требованиям ГОСТ 7746, изготовлены по техническим условиям ТУ 3414-001-18461115-2006.
На основании положительных результатов испытаний на трансформаторы тока ТТИ выдано свидетельство об утверждении типа средств измерений.
Трансформаторы тока ТТИ внесены в государственный реестр средств измерений под номером 28139-12.
Вес и габариты трансформаторов тока ТТИ IEK на 10 - 20 % меньше, чем у аналогичных трансформаторов тока других отечественных изготовителей.
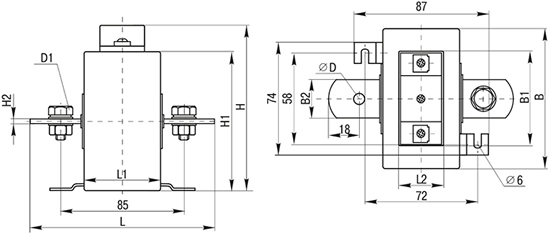
Размеры

| B, мм | B1, мм | B2, мм | H, мм | H1, мм | H2, мм |
|---|---|---|---|---|---|
| 87 | 62 | 25 | 103 | 87 | 3 |
| L, мм | L1, мм | L2, мм | D, мм | D1, мм | Вес изделия, не более, кг |
| 120 | 48 | 34 | 8 | M8 х 16 | 0,6 |
Материалы
- Материал корпуса: самозатухающий пластик (обеспечивает пожаро- и электробезопасность).
Принцип действия
- Трансформатор обеспечивает преобразование переменного тока первичной обмотки в переменный ток вторичной обмотки для измерения с помощью стандартных измерительных приборов, а также обеспечивает гальваническое разделение измерительных приборов от цепи высокого напряжения.
Особенности конструкции

- Трансформатор ТТИ-А опорный одноступенчатый, с первичной (встроенная шина) и вторичной обмоткой для измерения и учета, с одним коэффициентом трансформации.
- Медная луженая шина дает возможность подключать как медные, так и алюминиевые проводники.
- Корпус трансформатора неразборный (собран на заклепках), опломбирован наклейкой, что делает невозможным доступ ко вторичной обмотке.
- Клеммные зажимы вторичной обмотки закрываются прозрачной крышкой, что обеспечивает безопасность при эксплуатации.
Кроме того, крышку можно опломбировать.
Это особенно важно в схемах учета электроэнергии, так как позволяет исключить несанкционированный доступ к клеммным зажимам вторичной обмотки.
- Крепежные элементы для крепления проводников в комплекте.
Технические характеристики
| Тип изделия | трансформатор тока |
| Номинальный первичный рабочий ток I1ном, А | 250 |
| Номинальный вторичный рабочий ток I2ном, А | 5 |
| Класс точности | 0,5 |
| Номинальная вторичная полная мощность, В*А | 5 |
| Вторичное подключение | винтовое соединение |
| Наибольшее рабочее напряжение, кВ | 0,72 |
| Номинальная частота, Гц | 50 |
| Номинальное напряжение, В | 660 |
| Номинальный коэффициент безопасности вторичной обмотки, КБном | 5 |
| Диапазон температуры окружающей среды, °C | -45... +50 |
| Максимальная относительная влажность воздуха при +25 °C, не более, % | 98 |
| Степень защиты от пыли и влаги | IP20 |
| Климатическое исполнение и категория размещения | УХЛ3 |
| Рабочее положение | любое |
| Группа механического исполнения | М4 (ГОСТ 17516.1) |
| Срок службы, лет | 25 |
| Межповерочный интервал, лет | 5 |
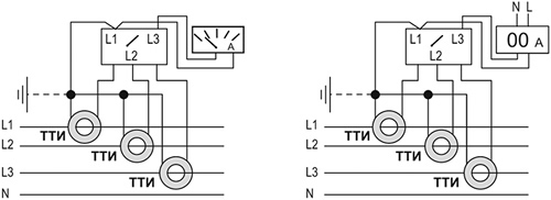
Подключение
- Подключение амперметров через трансформаторы тока (а - аналоговый, б - цифровой):

- Подключение амперметров через трансформаторы тока трехфазной сети с использованием селективного переключателя:

Опломбировка
Способы пломбирования контактов вторичной цепи:

Условия эксплуатации
- По способу защиты от поражения электрическим током трансформаторы соответствуют классу 0 по ГОСТ 12.2.007.0 и должны устанавливаться в распределительные щиты, имеющие класс защиты не ниже 1.
- Сопротивление изоляции обмоток трансформаторов не менее: 40 МОм - для первичных обмоток, 20 МОм - для вторичных обмоток.
- Стороны трансформаторов, соответствующие входу и выходу первичной обмотки шины или кабеля, обозначаются Л1 и Л12, выводы вторичной обмотки обозначаются И1 и И2.
- Корпус трансформаторов выполнен из пластмассы и не имеет подлежащих заземлению металлических частей.
Вывод И1 вторичной обмотки трансформаторов должен быть заземлен.
- Во время эксплуатации вторичная обмотка трансформаторов должна быть подключена к нагрузке, так как при разомкнутой вторичной цепи на выводах вторичной обмотки возникает напряжение, опасное для изоляции вторичной обмотки и обслуживающего персонала.
Выполнение переключений в цепи вторичной обмотки допускается только после отключения первичной обмотки трансформатора.
Комплектация
- Трансформатор тока - 1 шт.
- Держатели для крепления на монтажной поверхности - 2 шт.
- Комплект для крепления к шине: болты - 2 шт., гайки - 2 шт., шайбы пружинные - 2 шт., шайбы плоские - 2 шт.