график работы: с 08:00 до 17:00
zakaz@k-kirov.ru
Товары
Спецификации
Заказы
Документы
КП
Корзина
Кировская область
Войти
Каталог
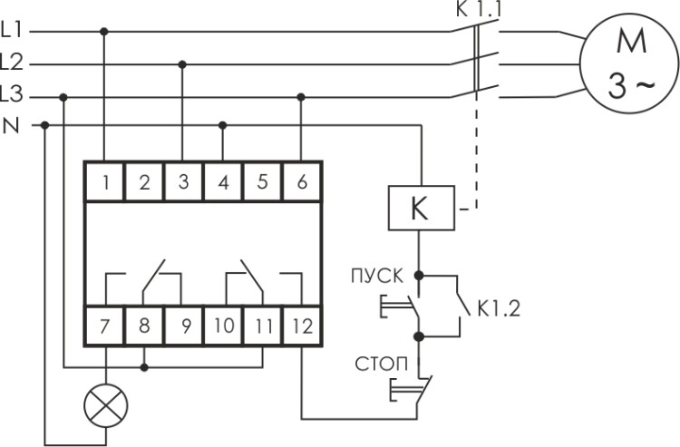
Реле контроля фаз CKF-318-1
Главное
Подробное описание
Связанные товары
Аналоги
Низковольтное оборудование, счетчики, молниезащита, разъемы, клеммники
Системы автоматизации
Реле
Реле контроля фаз
Артикул:
088489
Код производителя:
EA04.002.007
Бренд:
Евроавтоматика
цена
2 472,96 ₽/шт
наличие
Под заказ
шт
в корзину
добавить в…
Добавить в избранное
Поделиться
Подобрать аналог
Связанные товары
Описание и характеристики
Реле контроля и наличия, чередования фаз, слипания фаз, асимметрии фаз, контроль напряжения, контроль обрыва нейтрали, 1 модуль, монтаж на DIN-рейке 3х400/230+N 2х8А 2NO/NC IP20 Евроавтоматика ФиФ
Связанные товары
Аналоги