Описание и характеристики
Термостат одноканальный NO IEK YCE-TNO-00-60 (0... +60 °С)
Термостат одноканальный NO предназначен для управления вентилятором с целью поддержания заданной температуры и влажности внутри электротехнического шкафа и организации стабильной работы установленного активного оборудования.
По требованиям безопасности соответствует ГОСТ IEC 60947-5-1 и ТР ТС 004/2011.
По требованиям электромагнитной совместимости соответствует ТР ТС 020/2011.
Преимущества
- Широкий диапазон регулировки температуры и влажности при низкой погрешности.
- Простота установки и настройки.
- Высокая коммутационная способность.
- Значительный ресурс работы.
Размеры

Материалы и цвета
| Цвет корпуса | Серый (RAL 7035) |
| Материал корпуса | полиамид 66 (UL94 VO), не поддерживает горение |
| Материал держателя | листовая сталь |
| Материал чувствительного элемента | термобиметаллическая пластина |
Технические характеристики
| Тип контакта | NO*** |
| Тип функциональных переключателей | переключающий контакт |
| Номинальное рабочее напряжение, В | 240 |
| Диапазон регулировки температуры, °C | 0... +60 |
| Максимальная коммутационная способность | АС: 240 В, 10 (2) А**; DC: 30 Вт (при 24 - 72 В) |
| Максимальный пусковой ток, А | 16 (в течение 10 с.) |
| Гистерезис*, К | 7 ± 4 |
| Диапазон рабочих температур, °С | -60... +60 |
| Температура монтажа, °С | -20... +40 |
| Степень защиты от пыли и влаги | IP20 (ГОСТ 14254) |
| Климатическое исполнение и категория размещения | У2.1 (ГОСТ 15150) |
| Тип монтажа | безвинтовое зажимное крепление |
| Класс защиты от поражения электрическим током | II (ГОСТ IEC 61140) |
| Сечение подключаемых проводников, кв.мм | 1,5 - многожильный провод****; 2,5 - одножильный провод |
| Совместимость | Linea N, S, F, W, O |
| Вес изделия, г | 50 |
| Срок службы, не менее, циклов | 100000 |
* Разность значений температур и / или относительной влажности при переключении устройства.
** В скобках указана коммутационная способность в цепи с индуктивной нагрузкой, без скобок - в цепи с резистивной нагрузкой.
*** NO - нормально разомкнутый контакт (замыкается при повышении температуры). Цвет ручки-регулятора - Синий.
**** Должны применяться обжимные наконечники.
Монтаж и эксплуатация
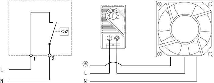
- Установить устройство в электротехнический шкаф на рейку типа ТН35 согласно ГОСТ IEC 60715.
В схемах с приборами охлаждения термостат должен быть расположен в нижней части электротехнического шкафа на максимальном расстоянии от охлаждающих приборов.
- Провести подключение проводников к устройству.
- Установить требуемое значение поддерживаемого параметра.
Для установки значения срабатывания устройства необходимо повернуть ручку-регулятор до совпадения указателя с необходимым значением.
При установке значения срабатывания необходимо учитывать гистерезис устройства.
- При установке температуры на термостате с замыкающим контактом в системе с устройством охлаждения необходимо из требуемой максимальной температуры вычесть максимальное значение гистерезиса.
Например, требуемая максимальная температура внутри шкафа: 40 °С.
Температура, устанавливаемая на регуляторе термостата, определяется: 40-(7+4)=29 °С.
Электрическая схема
