Описание и характеристики
Ящик с понижающим трансформатором ЯТП-0,25 220/36-2АВ У3 IP31 "Техэнерго"
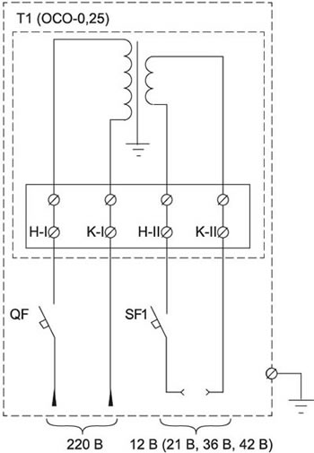
Ящик с понижающим трансформатором ЯТП однофазный, с естественным воздушным охлаждением, предназначен для работы от сети переменного тока 220 В частотой 50 - 60 Гц.
Применяется для питания местного и ремонтного освещения, а также для подключения электроинструмента и переносных осветительных приборов.
Представляет собой металлический корпус, закрытый крышкой.
В корпусе установлен трансформатор ОСО-0,25-01, два автоматических выключателя, розетка штепсельная на ток не менее 6 А.
Устанавливается на стенах или колоннах в закрытых помещениях, не подверженных резкому изменению температуры, воздействию солнечной радиации и атмосферных осадков.
Размеры и вес
| Высота корпуса, мм | 122 |
| Ширина корпуса, мм | 230 |
| Глубина корпуса, мм | 150 |
| Вес изделия, не более, кг | 5 |
Материалы и цвета
| Цвет корпуса | Светло-серый |
| Материал корпуса | металл |
Технические характеристики
| Артикул | te00013644 |
| Тип изделия | ящик с понижающим трансформатором |
| Исполнение | навесной |
| Номинальное рабочее напряжение переменного тока Ue, В | 220 |
| Количество фаз питающей сети | 1 |
| Номинальное напряжение первичной обмотки трансформатора, В | 220 |
| Номинальное напряжение вторичной обмотки трансформатора, В | 36 |
| Номинальная частота тока, Гц | 50 - 60 |
| Номинальная мощность вторичной обмотки трансформатора, ВА | 250 |
| Количество модулей DIN | 2 |
| Количество установленных автоматических выключателей ВА 47-29 | 2 |
| Режим работы под нагрузкой | продолжительный |
| Рабочая температура, °C | -60... +40 |
| Относительная влажность воздуха, не более, % | 80 |
| Степень защиты от пыли и влаги | IP31 (ГОСТ 14254) |
| Климатическое исполнение и категория размещения | У3 |
| Класс защиты от поражения электрическим током | I (ГОСТ IEC 61140) |
| Вес изделия, не более, кг | 5 |
Схема электрическая принципиальная
