

Описание и характеристики
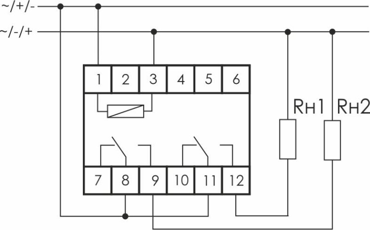
Реле электромагнитное (промежуточное) PK-2P предназначено для гальванической развязки между силовыми цепями и цепями управления, дистанционного включения нагрузки путем подачи управляющего напряжения на обмотку реле, а также использования в качестве промежуточного. Евроавтоматика ФиФ