

Описание и характеристики
Ящик с понижающим трансформатором ЯТП-0,25 230/36-2 36 УХЛ4 IP30 IEK
Ящик с понижающим трансформатором типа ЯТП-0,25 230/36-2 36 УХЛ4 IP30 IEK предназначен для питания сетей местного и ремонтного освещения, а также для подключения переносных светильников и электроинструмента внутри помещений в недоступном для неспециалистов месте.
Преобразует напряжение 220 В частотой 50 Гц в напряжение 36 В.
Соответствует техническому регламенту ТР ТС 004/2011.
Преимущества
- Малогабаритная конструкция.
- Высокая технологичность и простота использования.
- Высокий уровень электробезопасности.
- Высококачественное наружное покрытие.
- Повышенная антикоррозийная стойкость.
- Эстетичный внешний вид.
Размеры и вес
| Высота оболочки, мм | 130 |
| Ширина оболочки, мм | 220 |
| Глубина оболочки, мм | 155 |
| Вес изделия, кг | 6 |
Конструкция и материалы
- Корпус металлический разборный: основание, на котором установлены однофазный понижающий трансформатор типа ОСО-0,25 мощностью 250 ВА и напряжением 220/36 В, два автоматических выключателя ВА47-29, штепсельная розетка In 16 А, и крышка.
- Антикоррозийное покрытие оболочки: эпоксидно-полиэфирная краска (ГОСТ 9.410).
Технические характеристики
| Артикул | MTT12-036-0250 |
| Тип изделия | ящик с понижающим трансформатором |
| Исполнение | навесной |
| Номинальное рабочее напряжение первичной обмотки трансформатора, В | 230 ±5% |
| Номинальное рабочее напряжение вторичной обмотки трансформатора, В | 36 ±5% |
| Номинальная частота, Гц | 50 |
| Номинальный ток первичной цепи, А | 2 |
| Номинальный ток вторичной цепи, А | 6 |
| Номинальная полная мощность, ВА | 250 |
| Номинальное напряжение изоляции, В | 600 |
| Номинальное импульсное выдерживаемое напряжение, кВ | 2,5 |
| Прочность при коротких замыкания, кА | 4,5 |
| Максимальное допустимое значение ожидаемого тока КЗ, кА | 4,5 |
| Вид системы заземления | TN-S |
| Тип электрических соединений функциональных блоков | FFX |
| Тип присоединяемого кабеля по ГОСТ 16442 | ВВГ |
| Сечение присоединяемого кабеля, кв.мм | 1,5 - 2,5 (медный, алюминиевый) |
| Температура эксплуатации, °C | -5... +40 |
| Относительная влажность воздуха при +25 °C, % | 90 |
| Степень защиты от пыли и влаги | IP30 |
| Климатическое исполнение и категория размещения | УХЛ4 |
| Степень загрязнения окружающей среды | 3 |
| Срок службы, лет | 25 |
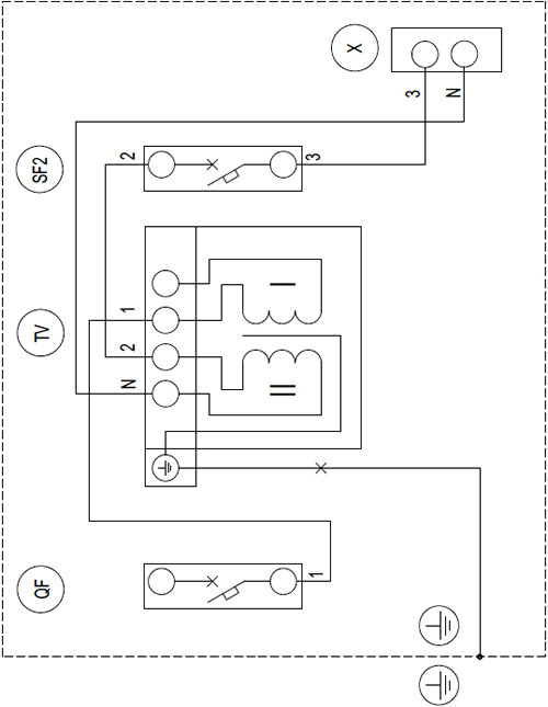
Схема электрическая
Меры безопасности
- Ящик должен быть заземлен.
- Защитные проводники должны быть подключены к шине РЕ.
- Все работы по монтажу и техническому обслуживанию ящика должны производиться в обесточенном состоянии специально обученным персоналом с соблюдением требований нормативно-технической документации в области электротехники.
