

Описание и характеристики
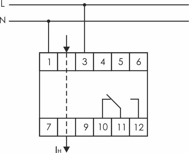
Реле тока применяется в системах релейной защиты и автоматики в качестве устройства, реагирующего на отклонение силы переменного тока в контролируемой цепи от установленного значения, 0,6-5A , регулируемая задержка , 1 модуль, монтаж на DIN-рейке 230В AC 16А 1NO/NC IP20