Описание и характеристики
Терморегулятор универсальный программируемый Terneo SN (32 А, -20... +10 °C) на DIN рейку, белый
Терморегулятор Terneo SN предназначен для работы с системами антиобледенения и снеготаяния повышенной мощности (до 6000 В*А).
Обеспечивает оптимальную работу благодаря возможности настраивать диапазон температуры, при котором возможно намерзание сосулек на крыше или образование гололедицы на земле.
Благодаря Terneo SN Вы не расходуете зря электроэнергию, когда температура за окном слишком низкая или достаточная для природного таяния.
![]() |
![]() |
Преимущества
- Универсальный терморегулятор.
Может применяться с нагревательными проводами большинства изготовителей.
Устройство может работать с аналоговыми (R10) или цифровыми (D18) датчиками.
- Удобство в управлении.
Настройка при помощи всего 3 кнопок.
Цифровой экран отображает температуру и системные уведомления, а также упрощает навигацию в меню.
- Легкий монтаж на стандартную DIN рейку.
- Защита от перегрева.
Размеры

Функциональные возможности

- Терморегулятор Terneo SN применяется для организации системы таяния снега и льда для обеспечения безопасности передвижения людей и транспортных средств, а также для уменьшения повреждения зданий в зимний период.
Когда показания датчика температуры воздуха попадают в диапазон +5... -10 °С (настраивается), терморегулятор включает нагрузку.
- Устройство монтируется в щиток на стандартную DIN-рейку шириной 35 мм, а датчик температуры располагается снаружи дома в месте, где на него не будут попадать прямые солнечные лучи и осадки.
- Терморегулятор можно применять с нагревательными проводами большинства изготовителей.
Устройство может работать с аналоговыми (R10) или цифровыми (D18) датчиками.
- Значения показаний можно отрегулировать.
- Терморегулятор оснащен защитой от внутреннего перегрева.
В случае, если температура внутри корпуса превысит +80 °С, произойдет аварийное отключение нагрузки.
На экране будет отображаться "ПРГ" (перегрев) до тех пор, пока температура внутри корпуса не опустится ниже +60 °С и не будет нажата одна из кнопок.
Технические характеристики
| Тип изделия | терморегулятор |
| Тип датчика температуры | NTC терморезистор 10 кОм при +25 °C (R10) |
| Тип управления | цифровой |
| Напряжение питания, В | 230 ±10 % |
| Ток потребления при 230 В, не более, мА | 86 |
| Максимальный ток нагрузки, А | 32 (max 40 в течение 10 мин.) |
| Номинальная мощность нагрузки, В*А | 7000 |
| Пределы регулирования, °C | 0... +10 (верхний), -20... -1 (нижний) |
| Температурный гистерезис по воздуху, °C | 1 |
| Длина провода датчика, м | 4 |
| Количество коммутаций под нагрузкой, не менее, циклов | 100000 |
| Количество коммутаций без нагрузки, не менее, циклов | 1000000 |
| Диапазон измеряемых температур, °C | -30... +90 |
| Степень защиты от пыли и влаги по ГОСТ 14254 | IP20 |
| Способ монтажа | на DIN рейку |
| Высота установки, м | 0,5 - 1,7 |
| Цвет корпуса | Белый |
| Вес изделия в полной комплектации, кг | 0,285 ±10 % |
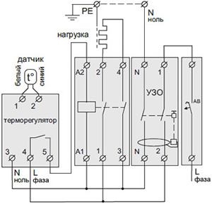
Схема подключения

- Терморегулятор поддерживает работу с аналоговым (терморезистор) или цифровым (DS18B20) датчиком.
Аналоговый датчик подключается к клеммам 1 и 2. Цвета проводов при подключении значения не имеют.
Цифровой датчик подключается синим проводом к клемме 2, а белым к клемме 1.
- При неверном подключении терморегулятор перейдет в режим процентного управления.
- Напряжение питания 230 В ±10 %, 50 Гц подается на клеммы 3 и 4, причем фаза (L) подключается к клемме 4, а ноль (М) - к клемме 3.
- Соединительные провода нагрузки подключаются к клемме 5 и к нулевому кпеммнику (в комплект не входит).
Монтаж
Терморегулятор предназначен для установки внутри помещений.
При установке во влажном помещении терморегулятор должен быть помещен в оболочку со степенью защиты не ниже IP55 по ГОСТ 14254 (частичная защита от пыли и защита от брызг в любом направлении).
Температура окружающей среды при монтаже должна находиться в пределах -5... +45 °С.
Терморегулятор монтируется в специальный шкаф, позволяющий производить удобный монтаж и эксплуатацию.
Шкаф должен быть снабжен стандартной монтажной рейкой шириной 35 мм (DIN-рейка).
Терморегулятор занимает в ширину три стандартных модуля по 18 мм.
Высота установки терморегулятора должна находиться в пределах 0,5... 1,7 м от уровня пола.
Терморегулятор монтируется и подключается после установки и проверки нагрузки.
Для защиты от короткого замыкания и превышения мощности в цепи нагрузки обязательно необходимо перед терморегулятором установить автоматический выключатель (АВ), который устанавливается в разрыв фазного провода.
Он должен быть рассчитан на номинальный ток.

Для защиты человека от поражения электрическим током утечки устанавливается УЗО (устройство защитного отключения).
Для правильной работы УЗО нагрузку необходимо заземлить (подключить к защитному проводнику) или, если сеть двухпроводная, необходимо сделать защитное зануление, то есть нагрузку подключить к нулю до УЗО.
Для подключения терморегулятора требуется:
- закрепить терморегулятор на монтажной рейке (DIN);
- подвести провода питания, системы вентиляции и датчика;
- выполнить соединения.
Клеммы терморегулятора рассчитаны на провод с сечением не более 16 кв.мм.
Для уменьшения механической нагрузки на клеммы желательно использовать мягкий провод.
Необходимо, чтобы терморегулятор коммутировал ток не более 2/3 максимального тока, указанного в паспорте.
Если ток превышает это значение, то необходимо нагрузку подключить через контактор (магнитный пускатель, силовое реле), который рассчитан на данный ток.

Датчик температуры воздуха устанавливается на стене или под кромкой кровли так, чтоб на него не светило солнце и не попадал дождь и снег, а также была возможность беспрепятственной замены при неисправности или повреждении.
При необходимости допускается укорачивание и наращивание соединительных проводов датчика (отдельный кабель не более 40 м с сечением больше 0,75 кв.мм).
Рядом с соединительным проводом датчика не должны находится силовые провода, они могут создавать помехи.

Комплектность
- Терморегулятор.
- Датчик температуры с соединительным проводом.

