

Описание и характеристики
Вставка плавкая ППНИ-35, габарит 1 (200 А), IEK DPP30-200
Предохранители плавкие серии ППНИ типа gG общего применения предназначены для защиты промышленных электроустановок и кабельных линий от перегрузки и короткого замыкания.
Используются в однофазных и трехфазных сетях напряжением до 660 В частоты 50 Гц.
Конструкция, технические параметры, габаритные и установочные размеры плавких вставок и держателей ППНИ соответствуют современным стандартам МЭК и ГОСТ, и поэтому позволяют заменять собой аналогичные устройства как отечественного, так и импортного производства.
Применение
- Вводно-распределительные устройства (ВРУ).
- Шкафы и пункты распределительные (ШРС, ШР, ПР).
- Оборудование трансформаторных подстанций (ЩО).
- Шкафы низкого напряжения (ШРПНН).
- Шкафы и ящики управления.
Преимущества
- Сниженные более чем на 30 % потери мощности, по сравнению с предохранителями ПНП2, вследствие современной конструкции, технологии изготовления и качества применяемых в предохранителях ППНИ материалов.
- Уменьшенные на 10 - 20 % габаритные размеры предохранителей ППНИ, по сравнению с предохранителями ПН-2.
- Защита от перегрузок вследствие наличия функции токоограничения, позволяющей снизить ожидаемый ток короткого замыкания в несколько раз.
- Широкий диапазон рабочих температур позволяет применять предохранители ППНИ в разных климатических поясах.
- Высокая отключающая способность.
- Низкие потери мощности.
Вследствие использования качественных современных материалов и новой конструкции в предохранителях ППНИ снижены потери мощности, по сравнению с предохранителями ПН-2.
- Экономия электроэнергии.
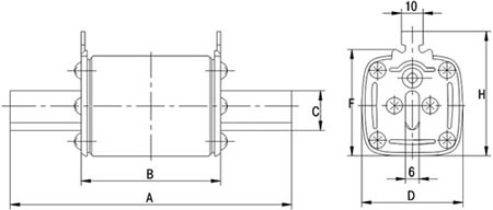
Размеры

| Размеры, мм | |||||
|---|---|---|---|---|---|
| А | В | С | D | H | F |
| 135 | 68 | 20 | 48 | 60 | 53 |
Конструкция и материалы
- Контакты предохранителя выполнены из электротехнической меди с гальваническим покрытием сплавом олово - висмут, что предотвращает их окисление в процессе эксплуатации.
- Плавкий элемент выполнен из фосфористой бронзы (сплав меди с цинком с добавлением фосфора) и надежно соединен точечной сваркой с выводами предохранителя.
- Основание держателя (изолятор) выполнено из армированной термореактивной пластмассы, стойкой к коррозии, механическим воздействиям, перепадам температуры и динамическим ударам, которые возникают при коротких замыканиях вплоть до 120 кА.
- В конструкции плавкой вставки есть специальный индикатор, выполненный в виде выдвижного штока, который позволяет визуально определять сработавшие предохранители.
- Контакты плавкой вставки выполнены в форме ножа (заострены), что позволяет их устанавливать в держатели с меньшими усилиями.
- Предохранители ППНИ обладают отключающей способностью во всем диапазоне gG, что позволяет обеспечить защиту электроустановок от токов короткого замыкания и перегрузок.
- Все габариты плавких вставок ППНИ удобно устанавливать или демонтировать универсальной рукояткой съема РС-1, изоляция которой выдерживает напряжение до 1000 В.
- Для быстрого и эффективного дугогашения корпус плавкой вставки наполнен кварцевым песком высокой химической очистки.
Технические характеристики
| Типоразмер | 1 (NH1) |
| Номинальный ток, А | 200 |
| Номинальное напряжение, В | 400, 500, 660 |
| Номинальная частота, Гц | 50 |
| Классификационная группа | gG* |
| Номинальная отключающая способность | 50 кА при 660 В, 120 кА при 500 В |
| Диапазон рабочих температур, °С | -45... +60 |
| Степень защиты от пыли и влаги | IP00 |
| Рабочее положение | вертикальное или горизонтальное |
| Указатель срабатывания (индикатор) | выдвижной шток (боёк) |
| Климатическое исполнение и категория размещения | УХЛ3 |
| Стандарты | ГОСТ Р 50339.0 92, ГОСТ Р 50339.2.92 |
| Вес изделия, г | 455 |
* g -защита с отключающей способностью во всем диапазоне от перегрузки и короткого замыкания; G - предохранители общего применения.