






Описание и характеристики
Реле контроля фаз ORF-08D ONI (3 фазы, 2 контакта, 220 - 460 В AC)
Реле контроля фаз ONI типа ORF предназначены, в зависимости от типа и модели, для контроля параметров электросети - тока и напряжения (чередование фаз, обрыв, асимметрия, повышенное и пониженное напряжение) и передачи команды исполнительным устройствам, для задержки включения / отключения исполнительных механизмов при подаче управляющего сигнала.
Размеры

Технические характеристики
| Артикул | ORF-08D-220-460VAC |
| Тип изделия | реле контроля фаз |
| Исполнение | без функции контроля нейтральной линии |
| Клеммы для подключения контролируемой сети | L1 - L2 - L3 |
| Клеммы питания реле | L1 - L2 |
| Номинальное напряжение питания цепи управления, В | 220 - 460 |
| Тип напряжения управления | переменный (АС) |
| Диапазон частоты питающего напряжения, Гц | 45 - 65 |
| Диапазон измеряемого напряжения, В | 176 - 552 |
| Диапазон уставок по напряжению, % | 2 - 20 |
| Диапазон уставок по асимметрии напряжения, % | 5 - 15 |
| Гистерезис, % | 2 |
| Индикатор наличия напряжения питания | зеленый светодиод |
| Индикатор срабатывания реле | красный светодиод |
| Номинальный ток контактных групп (категория применения АС-1), А | 8 |
| Номинальное импульсное выдерживаемое напряжение Uimp, В | 6000 |
| Номинальное напряжение изоляции Ui, В | 690 |
| Погрешность срабатывания реле, не более, % | 1 |
| Задержка начала работы при подаче напряжения питания, сек. | 0,5 |
| Номинальное напряжение контактной группы, В | АС 250 / DC 24 |
| Механическая износостойкость, циклов В-О | 1 х 107 |
| Электрическая износостойкость, циклов В-О | 1 х 105 |
| Минимальная коммутируемая мощность, мВт (DC) | 500 |
| Температурный коэффициент при +20°C | 0,05 %/°C |
| Категория перенапряжения | III |
| Диапазон рабочих температур, °C | -20... +55 |
| Относительная влажность воздуха при эксплуатации, % | 5 - 95 (конденсация или обледенение не допускаются) |
| Степень защиты от пыли и влаги | IP40 (лицевая панель) / IP20 (со стороны выводов) |
| Степень загрязнения окружающей среды | 2 |
| Способ крепления | DIN рейка (стандарт) 35 мм |
| Рабочее положение | любое |
| Максимальное сечение провода, присоединяемого к зажиму, кв.мм | 6 |
| Момент затяжки винтов контактных зажимов, Н*м | 1,2 |
| Режим работы | продолжительный |
| Вес изделия, не более, кг | 0,09 |
| Срок службы, лет | 15 |
Диапазоны настроек и уровни срабатывания реле
| Повышенное напряжение, % | 15 |
| Пониженное напряжение, % | 15 |
| Асимметрия напряжения, % | 8 |
| Задержка срабатывания, сек. | 2 |
| Последовательность фаз | + |
| Обрыв фазы | + |
| Время сброса, мс. | 1000 |
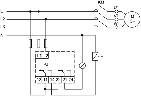
Схемы
|
Схема электрическая:
|
Схема подключения:
|
Функциональные диаграммы
![]() |
|
![]() |
То - задержка срабатывания при достижении предела перенапряжения. Тu - задержка срабатывания при достижении предела снижения напряжения. Та - задержка срабатывания при перекосе фаз. |




